GM Service Manual Online
For 1990-2009 cars only
Makes
🢒
Chevrolet
🢒
2003
🢒
Tracker - 2WD
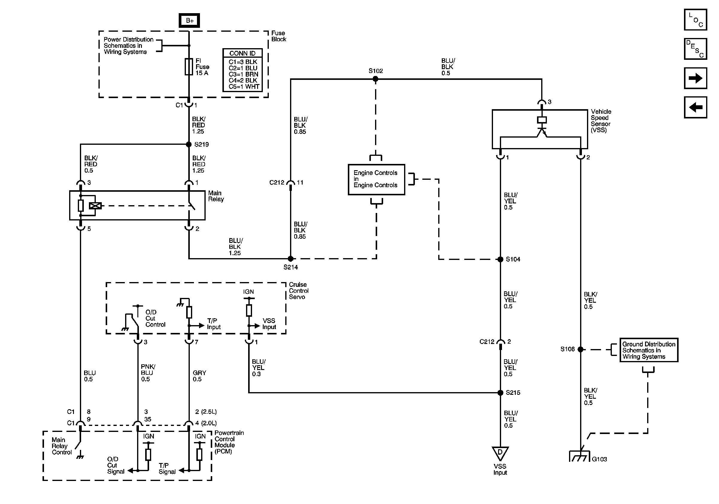
🢒 Cruice Control Servo, Vehicle Speed Sensor (VSS)
Cruice Control Servo, Vehicle Speed Sensor (VSS)
Cruise Control Servo, Vehicle Speed Sensor (VSS)
Master Electrical Component List
Instrument Cluster Description and Operation
Speedometer
Oil Pressure Indicator, ECT, Fuel Gauges, Tachometer
BATT, ABS, FI, ACC Fuses
Main Relay, Powertrian Control Module (PCM) Power and Ground
Main Relay, Powertrain Control Module (PCM) Power and Ground
G103