GM Service Manual Online
For 1990-2009 cars only
Makes
🢒
Chevrolet
🢒
2003
🢒
Tracker - 2WD
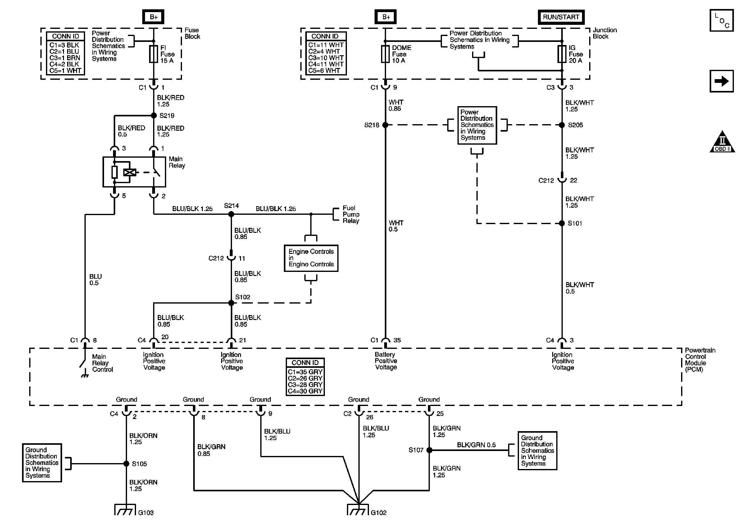
🢒 Main Relay, Powertrain Control Module (PCM) Power and Ground
Main Relay, Powertrain Control Module (PCM) Power and Ground
Main Relay, Powertrain Control Module (PCM) Power and Ground
Master Electrical Component List
Data Link Connector (DLC) and Malfunction Indicator Lamp (MIL)
OBD II Symbol Description Notice
BATT, ABS, FI, ACC Fuses
HAZ, D/L, TAIL, STOP, DOME Fuses
IG Fuse
HAZ, D/L, TAIL, STOP, DOME Fuses
IG Fuse
G100, G101, G102
G103