GM Service Manual Online
For 1990-2009 cars only
Makes
🢒
Chevrolet
🢒
2003
🢒
Tracker - 2WD
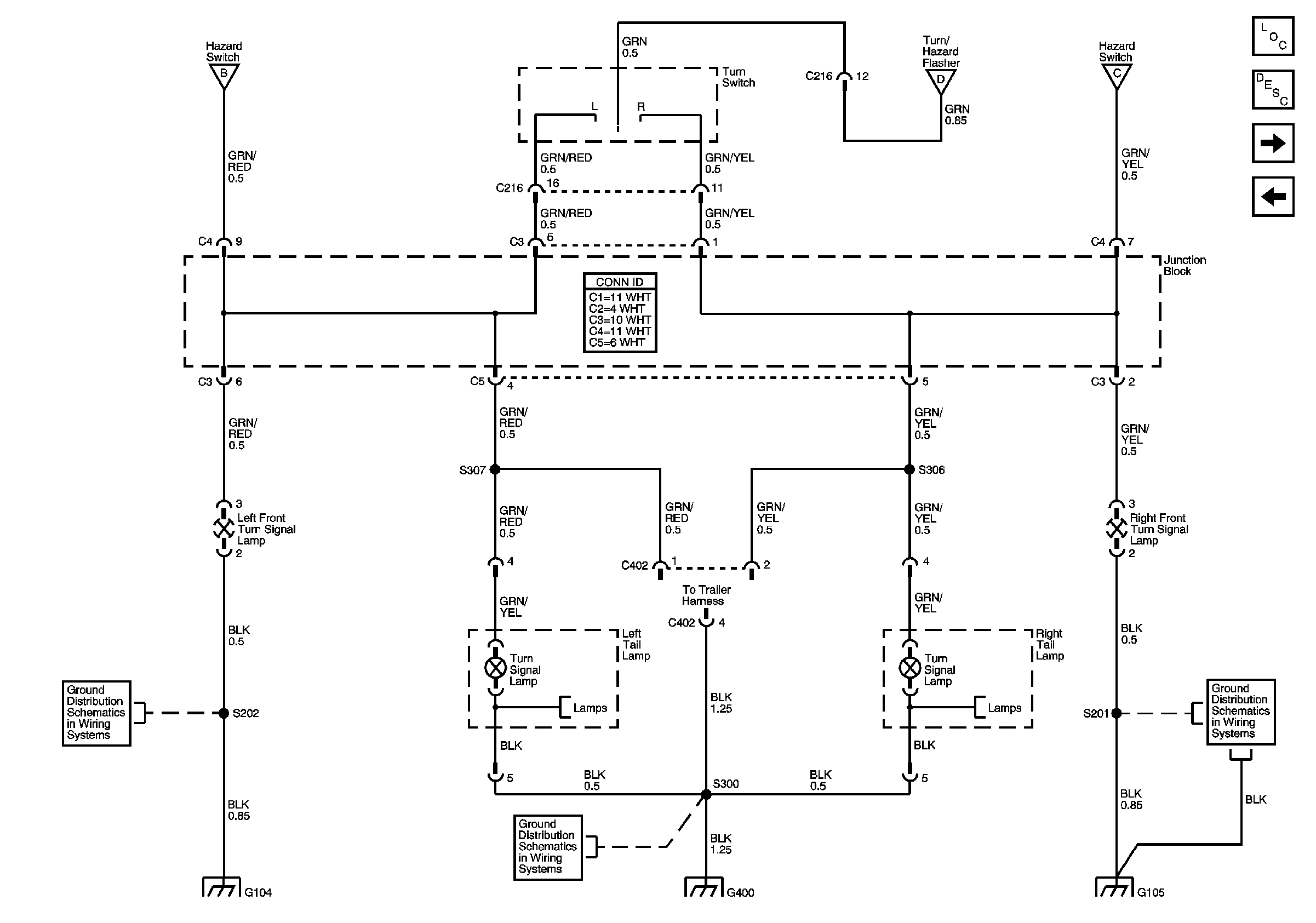
🢒 Turn Signal Lamps,Turn Signal Switch
Turn Signal Lamps,Turn Signal Switch
Turn Signal Switch, Turn Signal Lamps
Master Electrical Component List
Exterior Lighting Systems Description and Operation
Stoplamps Switch, Stoplamps
Hazard Switch, Turn/Hazard Flasher, Turn Indicators
G104
G400 and G401
G105