GM Service Manual Online
For 1990-2009 cars only
Makes
🢒
Chevrolet
🢒
2003
🢒
Tracker - 2WD
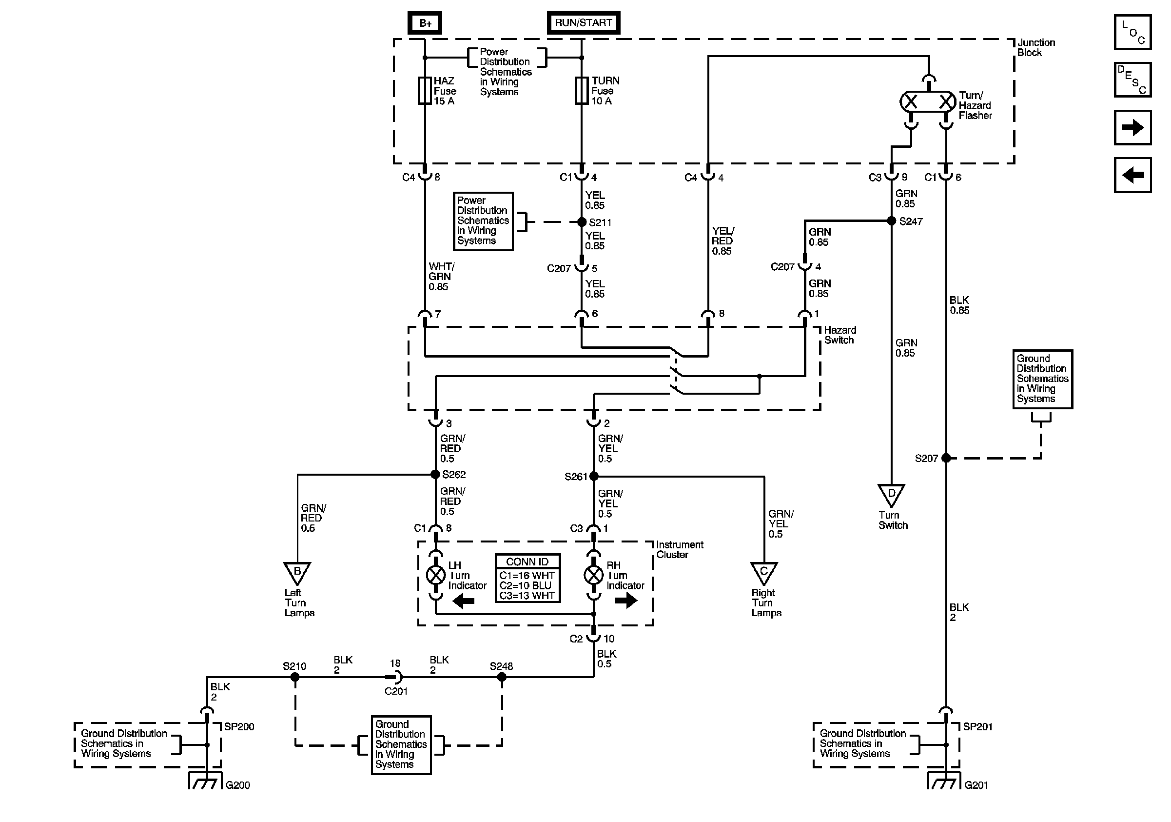
🢒 Hazard Switch, Turn/Hazard Flasher, Turn Indicators
Hazard Switch, Turn/Hazard Flasher, Turn Indicators
Hazard Switch, Turn/Hazard Flasher, Turn Indicators
Master Electrical Component List
Exterior Lighting Systems Description and Operation
Turn Signal Lamps, Turn Signal Switch
Tail Lamps, License Plate Lamps
HAZ, D/L, TAIL, STOP, DOME Fuses
TURN, WIP Fuses
TURN, WIP Fuses
S207
G201
G200
S248