GM Service Manual Online
For 1990-2009 cars only
Makes
🢒
Chevrolet
🢒
2003
🢒
Tracker - 2WD
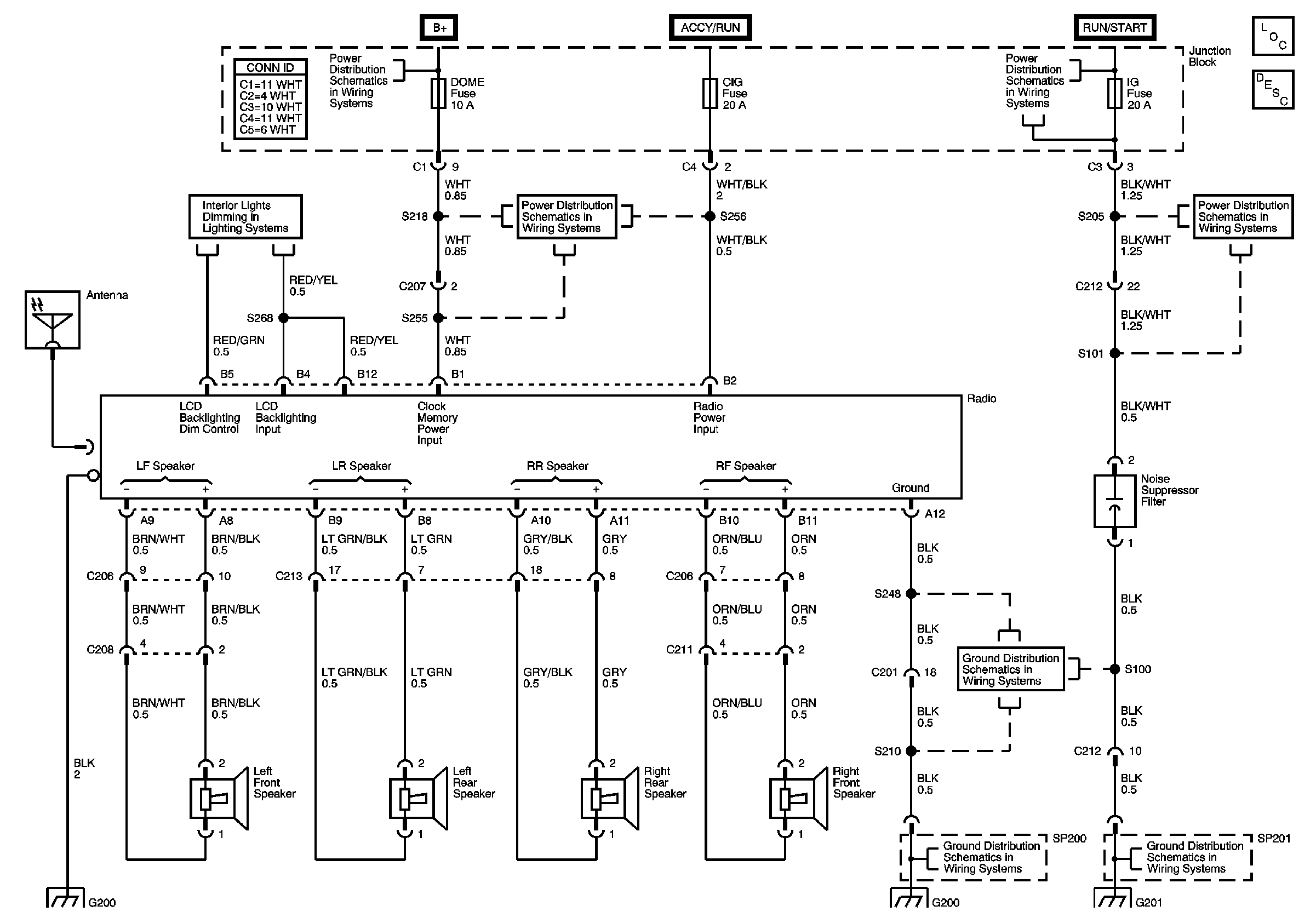
🢒 Entertainment Schematics
Entertainment Schematics
Master Electrical Component List
Radio/Audio System Description and Operation
HAZ, D/L, TAIL, STOP, DOME Fuses
Instrument Panel Lamp Dimmer Control
CIG, DEF, P/W Fuses
IG Fuse
IG Fuse
S248
G200
G201