GM Service Manual Online
For 1990-2009 cars only
Makes
🢒
Chevrolet
🢒
2004
🢒
Tracker - 2WD
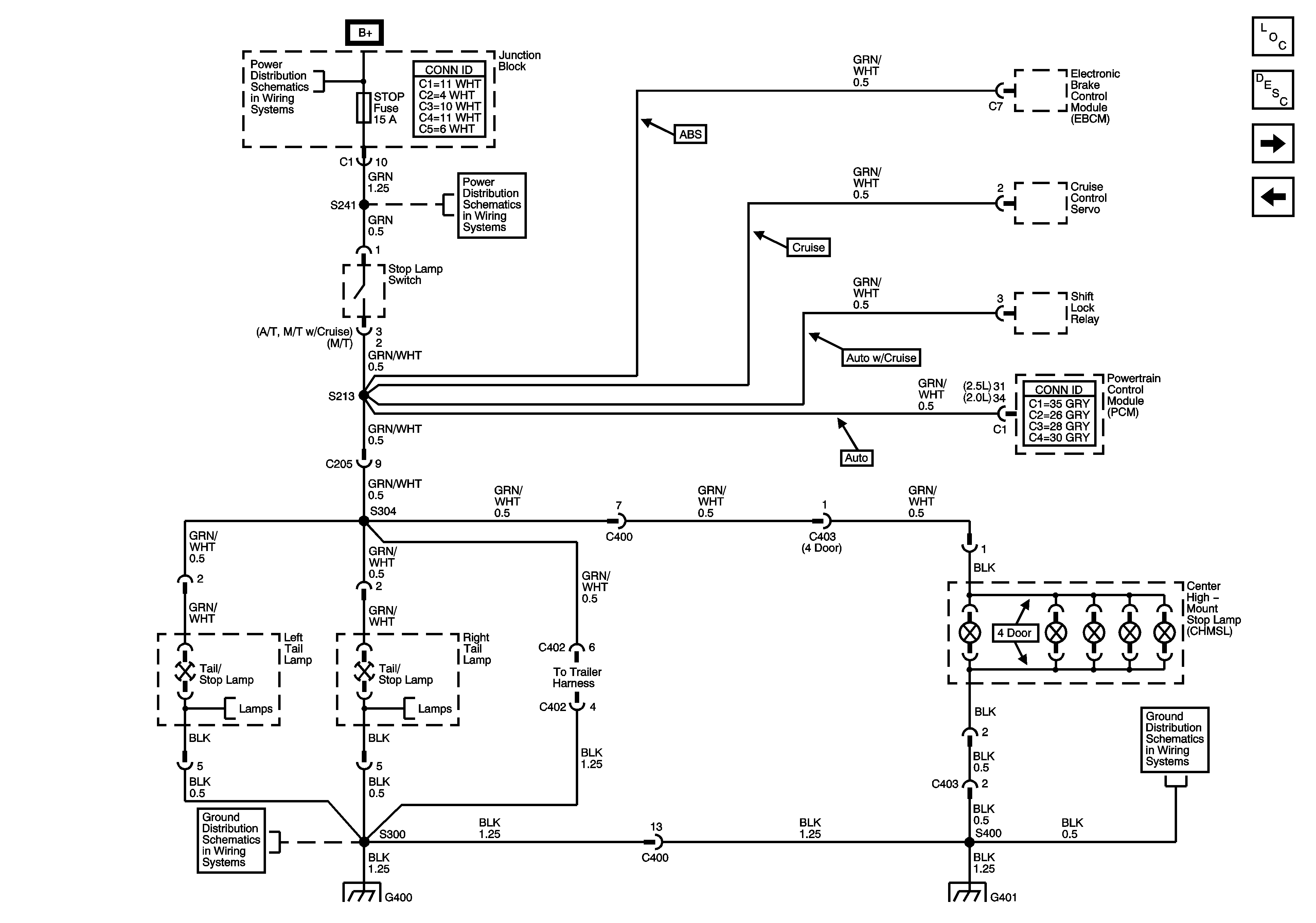
🢒 Stoplamps
Stoplamps
Stop Lamps
Master Electrical Component List
Exterior Lighting Systems Description and Operation
Backup Lamps
Turn Signal Switch, Turn signal Lamps
HAZ, D/L, TAIL, STOP and DOME Fuses
HAZ, D/L, TAIL, STOP and DOME Fuses
G400 and G401
G400 and G401