GM Service Manual Online
For 1990-2009 cars only
Makes
🢒
Chevrolet
🢒
2000
🢒
Tracker - 4WD
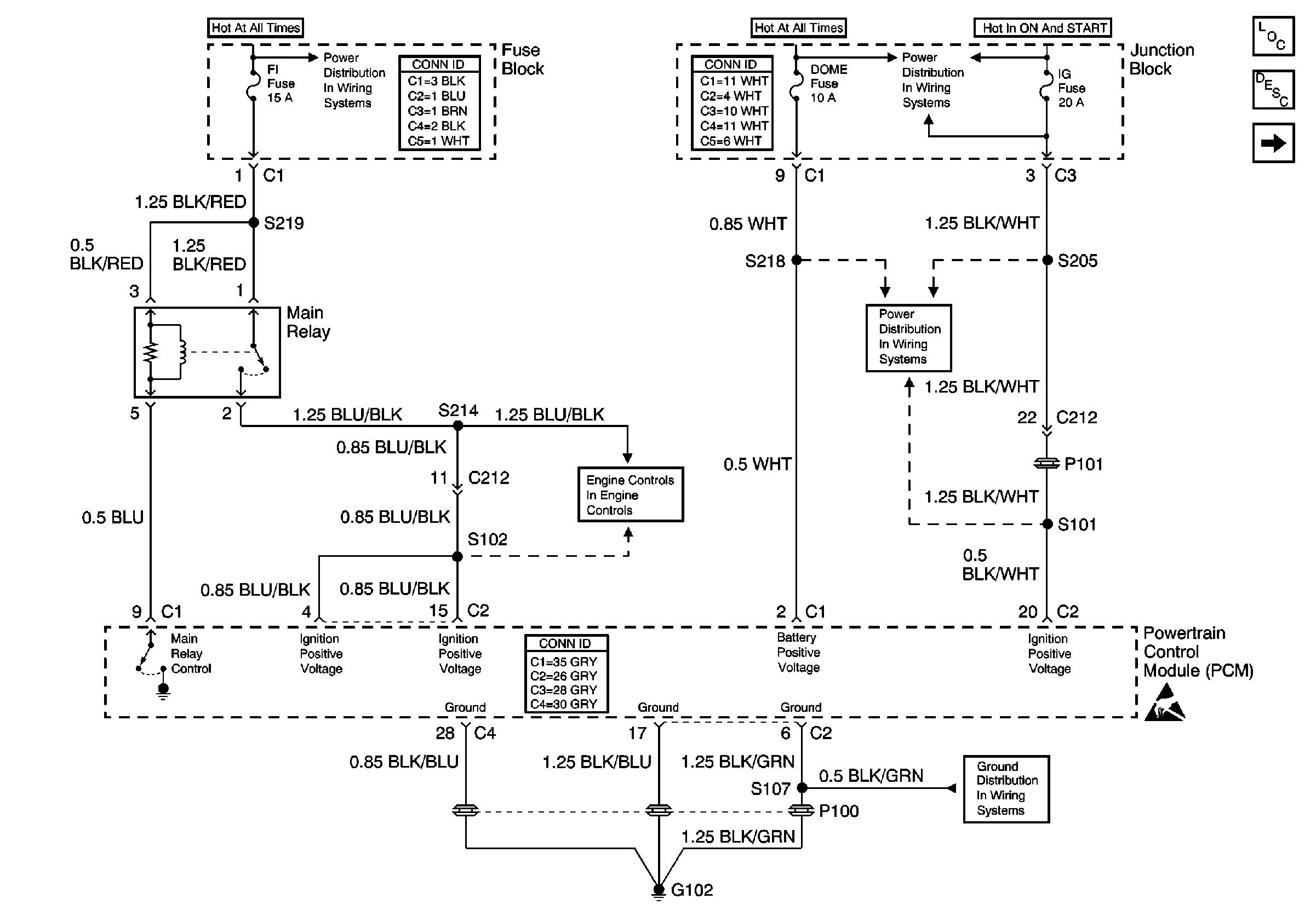
🢒 Power and Ground
Power and Ground
Power and Ground
Engine Controls Components
MIL and DLC
Handling ESD Sensitive Parts Notice
H/L, HTR, IG and LAMP Fuses
HAZ, D/L, TAIL, STOP and DOME Fuses
BATT, ABS, FI and ACC Fuses
BATT, ABS, FI and ACC Fuses
Handling ESD Sensitive Parts Notice
G100, G101 and G102