GM Service Manual Online
For 1990-2009 cars only
Makes
🢒
Chevrolet
🢒
2000
🢒
Tracker - 4WD
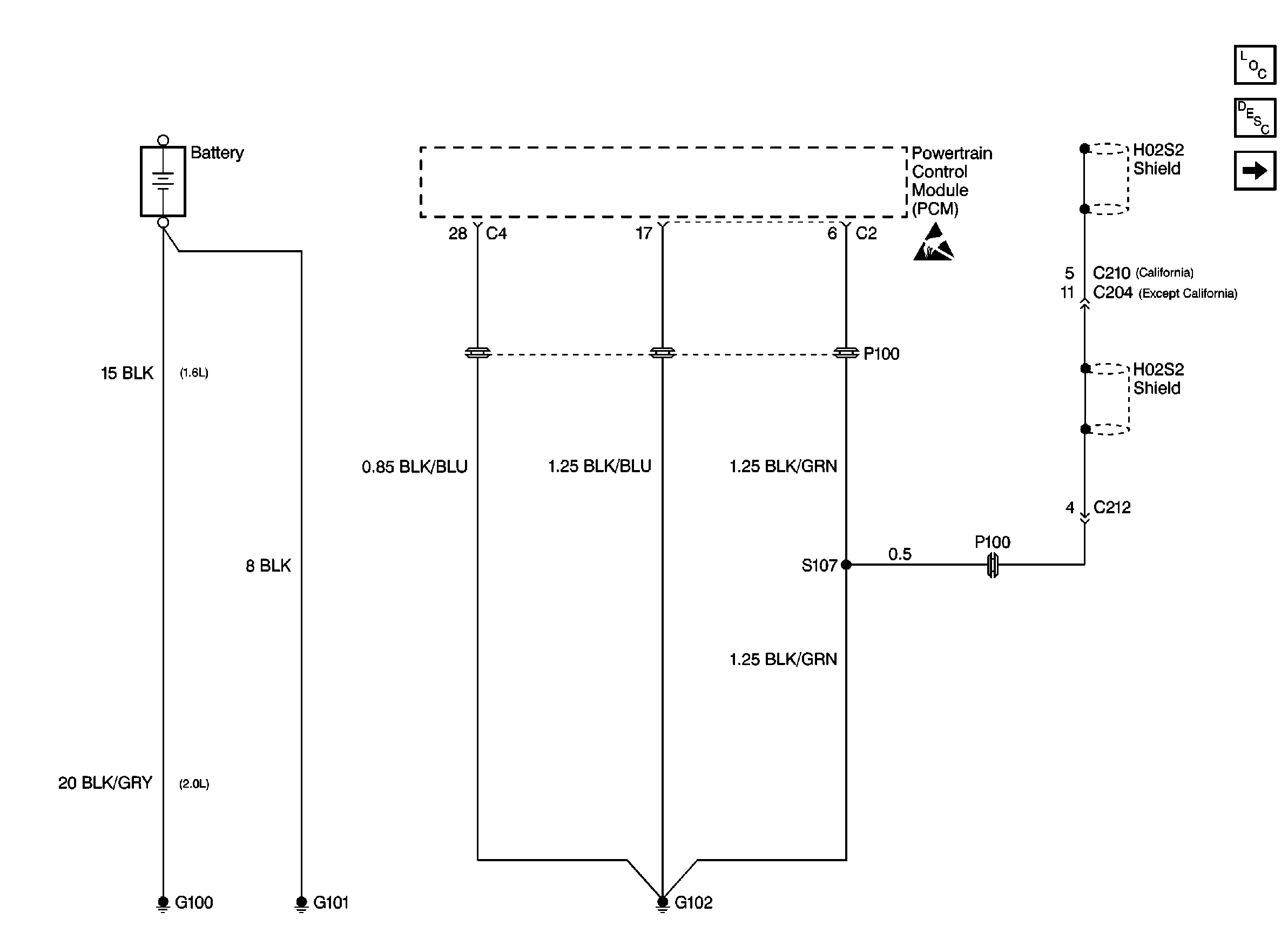
🢒 G100, G101 and G102
G100, G101 and G102
G100, G101 and G102
Power and Grounding Components
G103
Handling ESD Sensitive Parts Notice