GM Service Manual Online
For 1990-2009 cars only
Makes
🢒
Chevrolet
🢒
2000
🢒
Tracker - 4WD
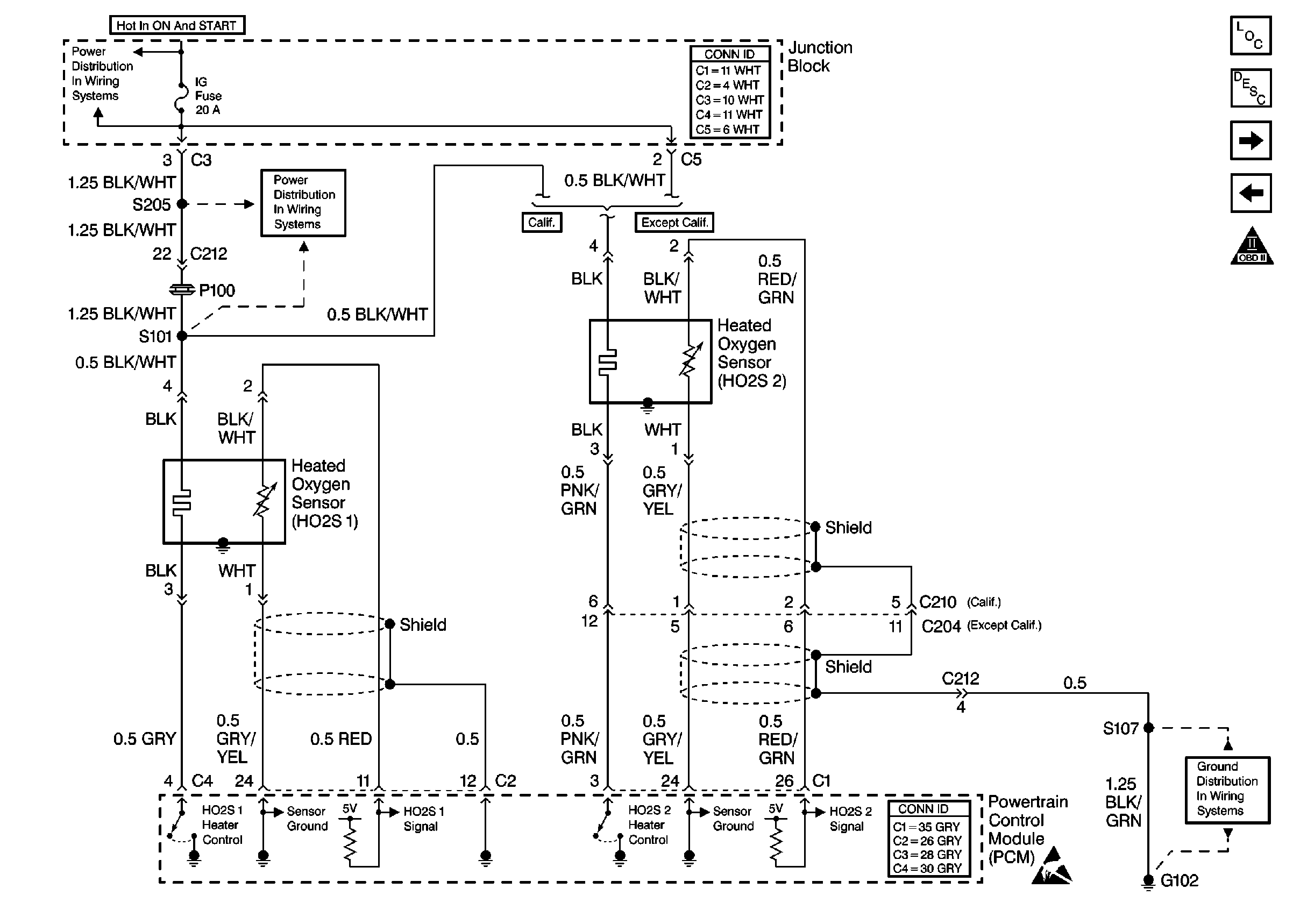
🢒 HO2S Sensors
HO2S Sensors
HO2S Sensors
Engine Controls Components
IAC Valve, MAF Sensor and VSS
Engine Data Sensors
Handling ESD Sensitive Parts Notice
G100, G101 and G102
CIG, DEF and P/W Fuses
IG Fuse
Handling ESD Sensitive Parts Notice