GM Service Manual Online
For 1990-2009 cars only
Makes
🢒
Chevrolet
🢒
2000
🢒
Tracker - 4WD
🢒 Charging System
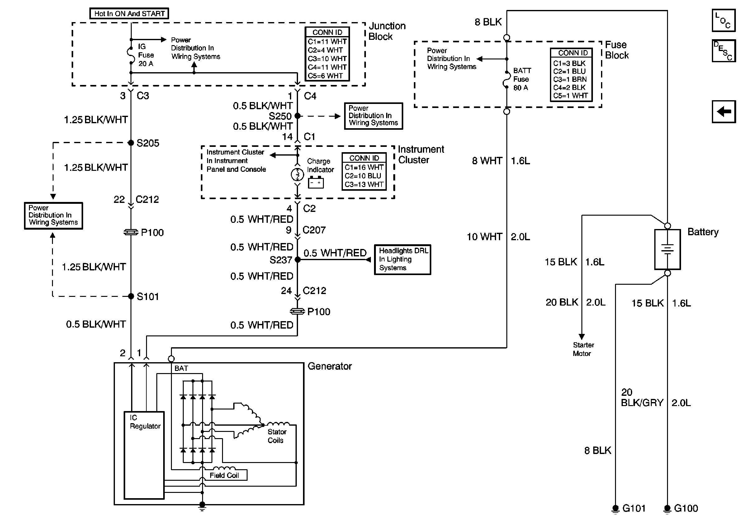
Charging System
Charging System
Engine Electrical Components
Starting System Circuit Description
Starting System
BATT, ABS, FI and ACC Fuses
Power, Ground, Park Brake Switch, Generator
IG, TURN and WIP Fuses
IG Fuse
(Engine Indicators)
IG Fuse