GM Service Manual Online
For 1990-2009 cars only
Makes
🢒
Chevrolet
🢒
2000
🢒
Tracker - 4WD
🢒 Starting System
Starting System
Starting System
Engine Electrical Components
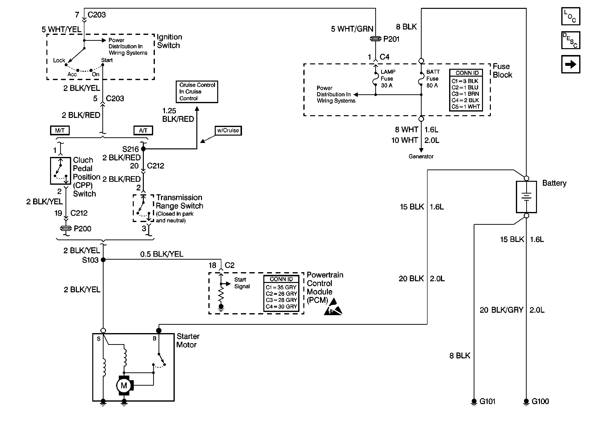
Starting System Circuit Description
Charging System
BATT, ABS, FI and ACC Fuses
Handling ESD Sensitive Parts Notice
Cruise Control Release Switch and Transmission Range Switch
Ignition Switch and SIR Fuse