GM Service Manual Online
For 1990-2009 cars only
Makes
🢒
Chevrolet
🢒
2000
🢒
Tracker - 4WD
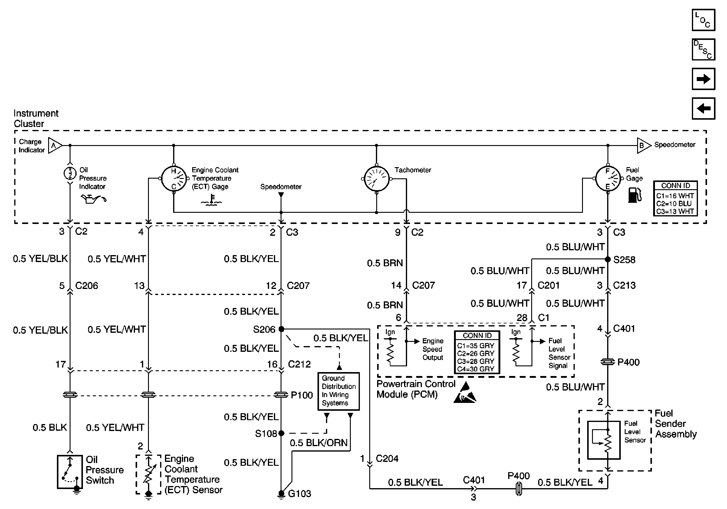
🢒 (ECT, Fuel Gages, Tachometer and Oil Indicator)
(ECT, Fuel Gages, Tachometer and Oil Indicator)
(ECT,Fuel Gages,Tachometer and Oil Indicator)
Instrument Cluster Components
Instrument Cluster Circuit Description
(VSS Circuit)
(Engine Indicators)
Handling ESD Sensitive Parts Notice