GM Service Manual Online
For 1990-2009 cars only
Makes
🢒
Chevrolet
🢒
2000
🢒
Tracker - 4WD
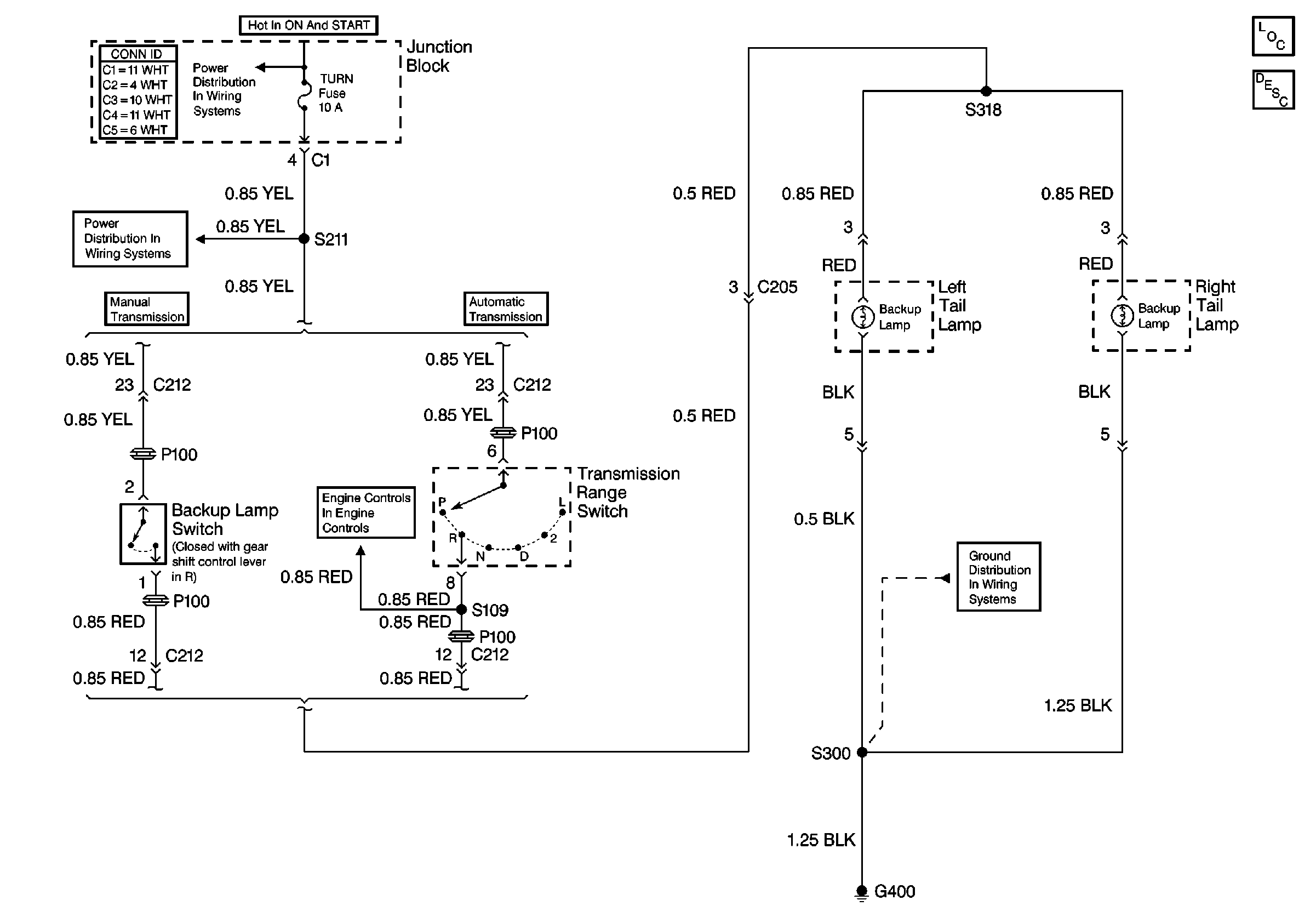
🢒 Backup Lights Schematics
Backup Lights Schematics
Lighting Systems Components
Backup Lamp Circuit Description
G400 and G401
IG, TURN and WIP Fuses
IG, TURN and WIP Fuses
TR Switch Position and Stoplamp Switch Inputs