GM Service Manual Online
For 1990-2009 cars only
Makes
🢒
Chevrolet
🢒
2000
🢒
Tracker - 4WD
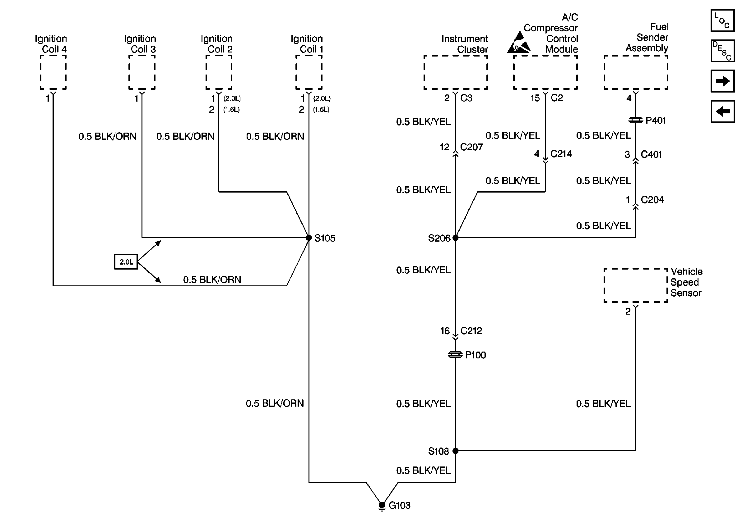
🢒 G103
G103
G103
Power and Grounding Components
G104
G100, G101 and G102
Handling ESD Sensitive Parts Notice