GM Service Manual Online
For 1990-2009 cars only
Makes
🢒
Chevrolet
🢒
2000
🢒
Tracker - 4WD
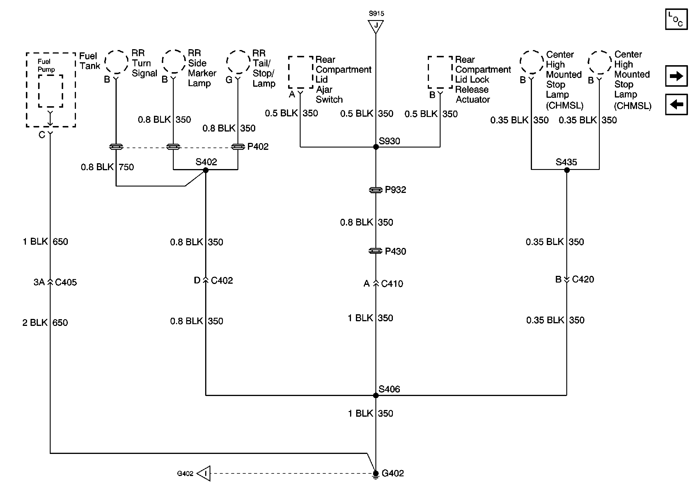
🢒 G402
G402
G402
Power and Grounding Components
G402
G101, Headlamps, Rear Fog Lamps, Side Repeater Lamps and Horn
G402
G401 and G402