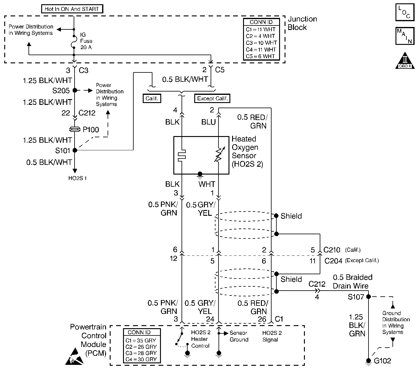
In order to control emissions of Hydrocarbons (HC), Carbon Monoxide (CO), and Oxides of Nitrogen (NOx), a three-way catalytic (TWC) converter is used. The catalyst within the converter promotes a chemical reaction that oxidizes the HC and CO present in the exhaust gases. The oxidation process converts the HC and CO into harmless water vapor and carbon dioxide. The catalyst also reduces NOx by converting NOx to nitrogen. The powertrain control module (PCM) monitors this process using the HO2S 1 and the HO2S 2. The HO2S 1 produces an output signal which indicates the amount of oxygen present in the exhaust gases entering the TWC converter. The HO2S 2 produces an output signal that indicates the oxygen storage capacity of the catalyst in the TWC converter. The oxygen storage capacity of the catalyst is an indicator of the converter's ability to convert exhaust gases efficiently. The HO2S 1 output signal is more active than the HO2S 2 output signal when the catalyst is operating efficiently.
| • | Engine speed is more than 1,600 RPM. |
| • | Engine coolant temperature is more than or equal to 70°C (158°F). |
| • | Barometric pressure more than 75 kPa. |
| • | Fuel tank level is more than 15 percent. |
| • | In closed loop mode with the above conditions met for 3 minutes. |
The voltage average is less than 120 mV or more than 900 mV.
OR
The pull-up voltage is more than 4.5 volts for 2 seconds.
| • | The PCM illuminates the malfunction indicator lamp (MIL) after two consecutive ignition cycles in which the diagnostic runs with the fault active. |
| • | The PCM records the operating conditions at the time the diagnostic fails. This information is stored in the Freeze Frame buffer. |
| • | The MIL turns OFF after three consecutively passing trips without a fault present. |
| • | A History DTC clears after 40 consecutive warm-up cycles without a fault. |
| • | Use the scan tool Clear DTC Information function or disconnect the PCM battery feed in order to clear the DTC. |
Check for any of the following conditions:
| • | Inspect the exhaust system for leaks. Check the exhaust system between the three way catalytic converter and the flange for leaks, for corrosion, or for loose or missing hardware. Repair as necessary. |
| • | Misrouted heated oxygen sensor wiring -- The sensor pigtail may be misrouted and contacting the exhaust system causing a problem in the sensor circuitry. |
| • | Inspect the HO2S 2 carefully for physical damage. Road hazards are more likely to damage the HO2S 2 because of the sensor's location under the vehicle chassis. |
| • | A shorted heated oxygen sensor (HO2S) -- An HO2S 2 that is shorted to ground or voltage can set a DTC P0136. Water contamination of the HO2S 2 can cause a short to occur in the sensor circuitry. A DTC P0136 that occurs more frequently when driving through standing water or when operating the vehicle in wet driving conditions can indicate a water intrusion. Replace the HO2S 2 if the sensor is adversely affected by moisture. |
| • | A faulty HO2S 2 electrical connection to the PCM |
If the DTC P0136 is intermittent, driving the vehicle under the following conditions can verify whether the fault is present. Perform the scan tool Clear DTC Information function. Road test the vehicle while monitoring the DTC P0136 diagnostic on the scan tool under the Not Ran Since Code Cleared selection in the DTC Information menu. If a DTC P0136 appears in the Not Ran Since Code Cleared list, the P0136 diagnostic has not yet run. When the DTC P0136 does not appear in the Not Ran Since Code Cleared list, the P0136 diagnostic has run. If the MIL is NOT ILLUMINATED and there is no PENDING DTC Status in DTC Information, the P0136 diagnostic has passed. DTCs MUST BE CLEARED in order to view the CURRENT STATUS of the Not Ran Since Code Cleared list. DO NOT FORGET that the Not Ran Since Code Cleared list only indicates that the test has run, not whether the test passed or failed. The DTC Information screen must be checked for CURRENT or PENDING status, in order to determine the outcome of the diagnostic test involved.
An intermittent malfunction may be caused by a problem in the HO2S 2 sensor electrical circuit. Inspect the wiring harness and components for any of the following conditions:
| • | Backed out terminals |
| • | Improper mating of terminals |
| • | Broken electrical connector locks |
| • | Improperly formed or damaged terminals |
| • | Faulty terminal to wiring connections |
| • | Physical damage to the wiring harness |
| • | A broken wire inside the insulation |
| • | Corrosion of electrical connections, splices, or terminals |
If you cannot duplicate a DTC P0136, the information included in the Freeze Frame data can be useful in determining vehicle operating conditions when the DTC was first set.
The numbers below refer to the step numbers in the diagnostic table.
The Powertrain (OBD) System Check prompts the technician to complete some basic checks and to store the Freeze Frame data on the scan tool if applicable. This creates an electronic copy of the data taken when the fault occurred. The information is then stored in the scan tool for later reference.
A cold HO2S 2 will read aproximately 55 mV on a scan tool. The HO2S 2 voltage should increase to more than 100 mV as the sensor becomes active.
This step checks whether the malfunction that caused the DTC P0136 is still present. Driving the vehicle under these conditions will verify whether the fault is present. After performing the scan tool Clear DTC Information function, the DTC P0136 diagnostic can be monitored on the scan tool under the Not Ran Since Code Cleared selection in the DTC Information menu. If a DTC P0136 appears in the Not Ran Since Code Cleared list, the P0136 diagnostic has not yet run. When the DTC P0136 does not appear in the Not Ran Since Code Cleared list, the P0136 diagnostic has run. If the MIL is NOT ILLUMINATED and there is no PENDING DTC Status in DTC Information, the P0136 diagnostic has passed. DTCs MUST BE CLEARED in order to view the CURRENT STATUS of the Not Ran Since Code Cleared list. DO NOT FORGET that the Not Ran Since Code Cleared list only indicates that the test has run, not whether the test passed or failed. The DTC Information screen must be checked for CURRENT or PENDING status, in order to determine the outcome of the diagnostic test involved.
This step checks the HO2S 2 signal circuit. The DMM is used as a low current voltage source, taking the place of the HO2S. This test verifies whether the signal wire is good, and whether the PCM is able to receive and process a signal from the HO2S.
Step | Action | Value(s) | Yes | No |
|---|---|---|---|---|
Did you perform the Powertrain On-Board Diagnostic (OBD) System Check? | -- | Go to Step 2 | ||
Did the HO2S 2 voltage start at less than the specified value and then increase to more than the specified value as the engine warmed? | 100 mV | Go to Step 3 | Go to Step 4 | |
Is a DTC P0136 set? | -- | Go to Step 4 | Go to Diagnostic Aids | |
Does the scan tool indicate a HO2S 1 voltage at the specified value? | 1275 mV | Go to Step 5 | Go to Step 8 | |
5 |
Does the scan tool indicate HO2S 2 voltage below the specified value? | 55 mV | Go to Step 6 | Go to Step 10 |
6 |
Did the test lamp illuminate? | -- | Go to Step 7 | Go to Step 9 |
7 | Replace the HO2S 2. Refer to Heated Oxygen Sensor Replacement . Is the action complete? | -- | Go to Step 11 | -- |
8 |
Was a repair necessary? | -- | Go to Step 11 | Go to Step 10 |
9 |
Was a repair necessary? | -- | Go to Step 11 | Go to Step 10 |
10 |
Important: The replacement PCM must be programmed. Replace the PCM. Refer to Powertrain Control Module Replacement/Programming . Is the action complete? | -- | Go to Step 11 | -- |
11 |
Are any DTCs displayed on the scan tool? | -- | System OK |