GM Service Manual Online
For 1990-2009 cars only

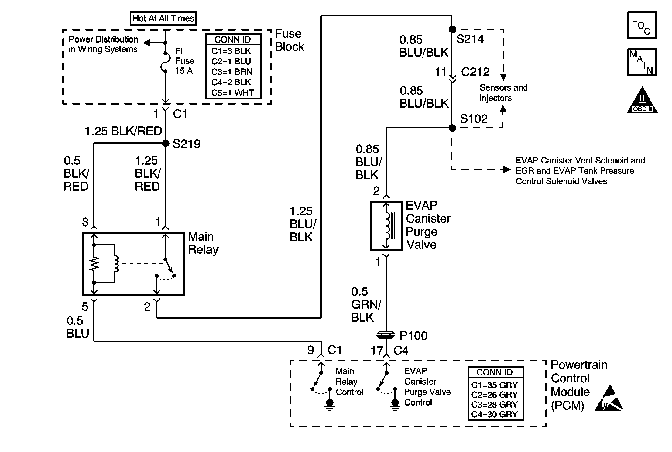
Object Number: 490507  Size: MF
EGR Valve and EVAP Controls
OBD II Symbol Description Notice
Handling ESD Sensitive Parts Notice

Circuit Description

The EVAP control system prevents the emission of fuel vapors. The fuel vapors generated in the fuel tank while driving or idling the engine, pass through the fuel tank pressure control valve and enter the EVAP canister. The fuel vapors are stored in the charcoal element of the EVAP canister. The powertrain control module (PCM) operates the EVAP canister purge valve, allowing the fuel vapors to be drawn into the intake manifold from the EVAP canister. The DTC P0443 diagnostic monitors the EVAP canister purge valve control circuit voltage.

Condition for Running the DTC

The ignition is ON, or the engine is running.

Conditions for Setting the DTC

    • The PCM does not detect the expected voltage on the EVAP canister purge valve circuit.
    • The above condition is present for 2 seconds.

Action Taken When the DTC Sets

    • The malfunction indicator lamp (MIL) will illuminate after two consecutive ignition cycles in which the diagnostic runs with the fault active.
    • The PCM will record operating conditions at the time the diagnostic fails. This information will be stored in the Freeze Frame buffer.

Conditions for Clearing the MIL/DTC

    • The MIL will turn OFF after three consecutive drive cycles without a fault present.
    • A DTC will clear after 40 consecutive warm-up cycles without a fault.
    • The DTCs can be cleared by using a scan tool or by disconnecting the PCM battery feed.

Diagnostic Aids

If a DTC P0440 and P0443 are both set, the most likely cause is an inoperable EVAP canister purge valve. Inspect the EVAP canister purge valve carefully for faulty connections and erratic operation.

If a DTC P0443 is intermittent, driving the vehicle under the following conditions can verify whether the fault is present. Perform the scan tool Clear DTC Information function. Road test the vehicle while monitoring the DTC P0443 diagnostic on the scan tool under the Not Ran Since Code Cleared selection in the DTC Information menu. If a DTC P0443 appears in the Not Ran Since Code Cleared list, the P0443 diagnostic has not yet run. When the DTC P0443 does not appear in the Not Ran Since Code Cleared list, the P0443 diagnostic has run. If the MIL is NOT ILLUMINATED, and there is no PENDING DTC Status in DTC Information, the P0443 diagnostic has passed. DTCs MUST BE CLEARED in order to view the CURRENT STATUS of the Not Ran Since Code Cleared list. DO NOT FORGET that the Not Ran Since Code Cleared list only indicates that the test has run, not whether the test passed or failed. The DTC Information screen must be checked for CURRENT or PENDING status, in order to determine the outcome of the diagnostic test involved.

Test the operation of the EVAP canister purge valve. Refer to Evaporative Emission Control System Diagnosis .

An intermittent malfunction may be caused by a fault in the EVAP canister purge valve electrical circuit. Inspect the wiring harness and components for any of the following conditions:

    • Backed out terminals
    • Improper mating of terminals
    • Broken electrical connector locks
    • Improperly formed or damaged terminals
    • Faulty terminal to wire connections
    • Physical damage to the wiring harness
    • A broken wire inside the insulation
    • Corrosion of electrical connections, splices, or terminals

If you duplicate a DTC P0443, the information included in the Freeze Frame data can be useful in determining vehicle operating conditions when the DTC was first set.

Test Description

The numbers below refer to the step numbers in the diagnostic table.

  1. The Powertrain OBD System Check prompts the technician to complete some basic checks and store the Freeze Frame data on the scan tool if applicable. This creates an electronic copy of the data taken when the fault occurred. The information is then stored in the scan tool for later reference.

  2. This step checks whether the condition that caused the DTC P0443 to set still exists.

  3. This step checks the EVAP canister purge valve control circuit. The EVAP canister purge valve duty cycle control is disabled by the PCM until the engine has reached a normal operating temperature of at least 80°C (176°F), there is no RPM indicated, and there are no DTCs set. Output controls can be found on the scan tool under Special Functions.

  4. This step checks whether the malfunction that caused the DTC P0443 is still present. Driving the vehicle under these conditions will verify whether the fault is present. After performing the scan tool Clear DTC Information function, the DTC P0443 diagnostic can be monitored on the scan tool under the Not Ran Since Code Cleared selection in the DTC Information menu. If a DTC P0443 appears in the Not Ran Since Code Cleared list, the P0443 diagnostic has not yet run. When the DTC P0443 does not appear in the Not Ran Since Code Cleared list, the P0443 diagnostic has run. If the MIL is NOT ILLUMINATED and there is no PENDING DTC Status in DTC Information, the P0443 diagnostic has passed. DTCs MUST BE CLEARED in order to view the CURRENT STATUS of the Not Ran Since Code Cleared list. DO NOT FORGET that the Not Ran Since Code Cleared list only indicates that the test has run, not whether the test passed or failed. The DTC Information screen must be checked for CURRENT or PENDING status, in order to determine the outcome of the diagnostic test involved.

Step

Action

Value(s)

Yes

No

1

Did you perform the Powertrain On-Board Diagnostic (OBD) System Check?

--

Go to Step 2

Go to Powertrain On Board Diagnostic (OBD) System Check

2

  1. Perform the scan tool Clear DTC Information function.
  2. Start the engine.
  3. Run the engine for 1 minute and check for DTCs.

Is there a CURRENT or PENDING DTC P0443 set?

--

Go to Step 3

Go to Diagnostic Aids

3

  1. Turn OFF the ignition.
  2. Disconnect the EVAP canister purge valve electrical connector.
  3. Measure the resistance of the EVAP canister purge valve using a DMM.

Is the resistance within the specified value?

28 to 36 ohms at 20°C (68°F)

Go to Step 4

Go to Step 8

4

  1. Turn ON the ignition, leaving the engine OFF.
  2. Probe the ignition positive voltage circuit at the EVAP canister purge valve electrical connector with a test lamp connected to ground.

Did the test lamp illuminate?

--

Go to Step 5

Go to Step 7

5

  1. Connect the EVAP canister purge valve electrical connector.
  2. Backprobe the EVAP canister purge valve control circuit with a test lamp connected to B+.
  3. Command the EVAP canister purge valve ON using a scan tool.
  4. Adjust the duty cycle from 0 to 100 percent while observing the test lamp.

Does the test lamp flash and then illuminate steadily when you reach 100 percent duty cycle?

--

Go to Step 8

Go to Step 6

6

  1. Check for an open or a short in the EVAP canister purge valve control circuit.
  2. Repair as necessary. Refer to Wiring Repairs in Wiring Systems.

Was a repair necessary?

--

Go to Step 10

Go to Step 9

7

  1. Check for an open in the ignition positive voltage circuit.
  2. Repair as necessary. Refer to Wiring Repairs in Wiring Systems.

Is the action complete?

--

Go to Step 10

--

8

Replace the EVAP canister purge valve. Refer to Evaporative Emission Canister Purge Solenoid Valve Replacement .

Is the action complete?

--

Go to Step 10

--

9

Important: The replacement PCM must be programmed.

Replace the PCM. Refer to Powertrain Control Module Replacement/Programming .

Is the action complete?

--

Go to Step 10

--

10

  1. Perform the scan tool Clear DTC Information function and road test the vehicle within the Freeze Frame conditions that set the DTC or until the P0443 diagnostic test has run.
  2. Review the scan tool data and check for DTCs. The repair is complete if no DTCs are stored.

Are any DTCs displayed on the scan tool?

--

Go to Diagnostic Trouble Code (DTC) List

System OK