GM Service Manual Online
For 1990-2009 cars only
Makes
🢒
Chevrolet
🢒
2002
🢒
TrailBlazer - 2WD
🢒
Body and Accessories
🢒
Lighting Systems
🢒 Headlights/Daytime Running Lights (DRL) Schematics
Figure
1:
Headlamps
Master Electrical Component List
Exterior Lighting Systems Description and Operation
Headlamp Switch
B+ Bus - Underhood Fuse Block
G107 and G108
Ambient Light/Solar Sensor
G107 and G108
G107 and G108
G101, G103, G106, and G110
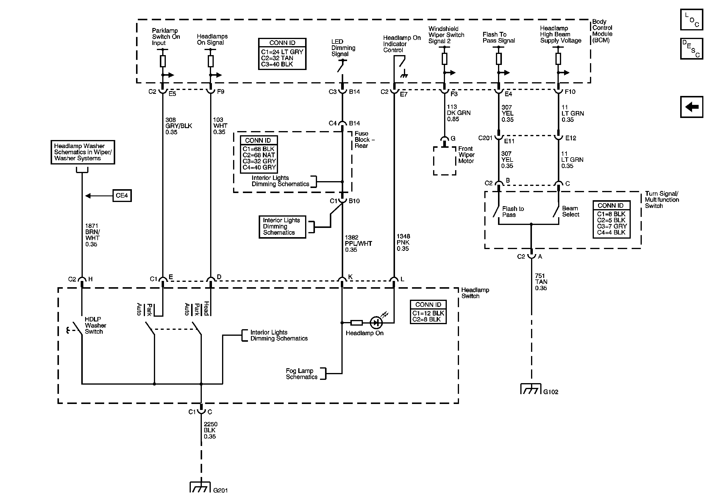
Figure
2:
Headlamp Switch
Master Electrical Component List
Exterior Lighting Systems Description and Operation
Headlamps
Headlamp Washer
G201 - 1 of 2
Courtesy Lamp Supply
Courtesy Lamp Supply
I/P Dimming Supply - 2 of 2
Fog Lights Schematics
G102, G104, G105, and G109