GM Service Manual Online
For 1990-2009 cars only
Makes
🢒
Chevrolet
🢒
2002
🢒
TrailBlazer - 2WD
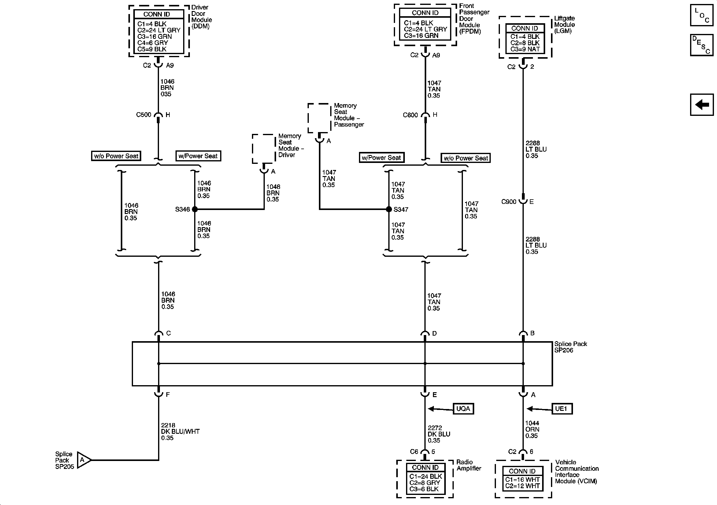
🢒 SP206
SP206
SP206
Master Electrical Component List
Data Link Communications Description and Operation
DLC and SP205
DLC and SP205