GM Service Manual Online
For 1990-2009 cars only
Makes
🢒
Chevrolet
🢒
2002
🢒
TrailBlazer - 2WD
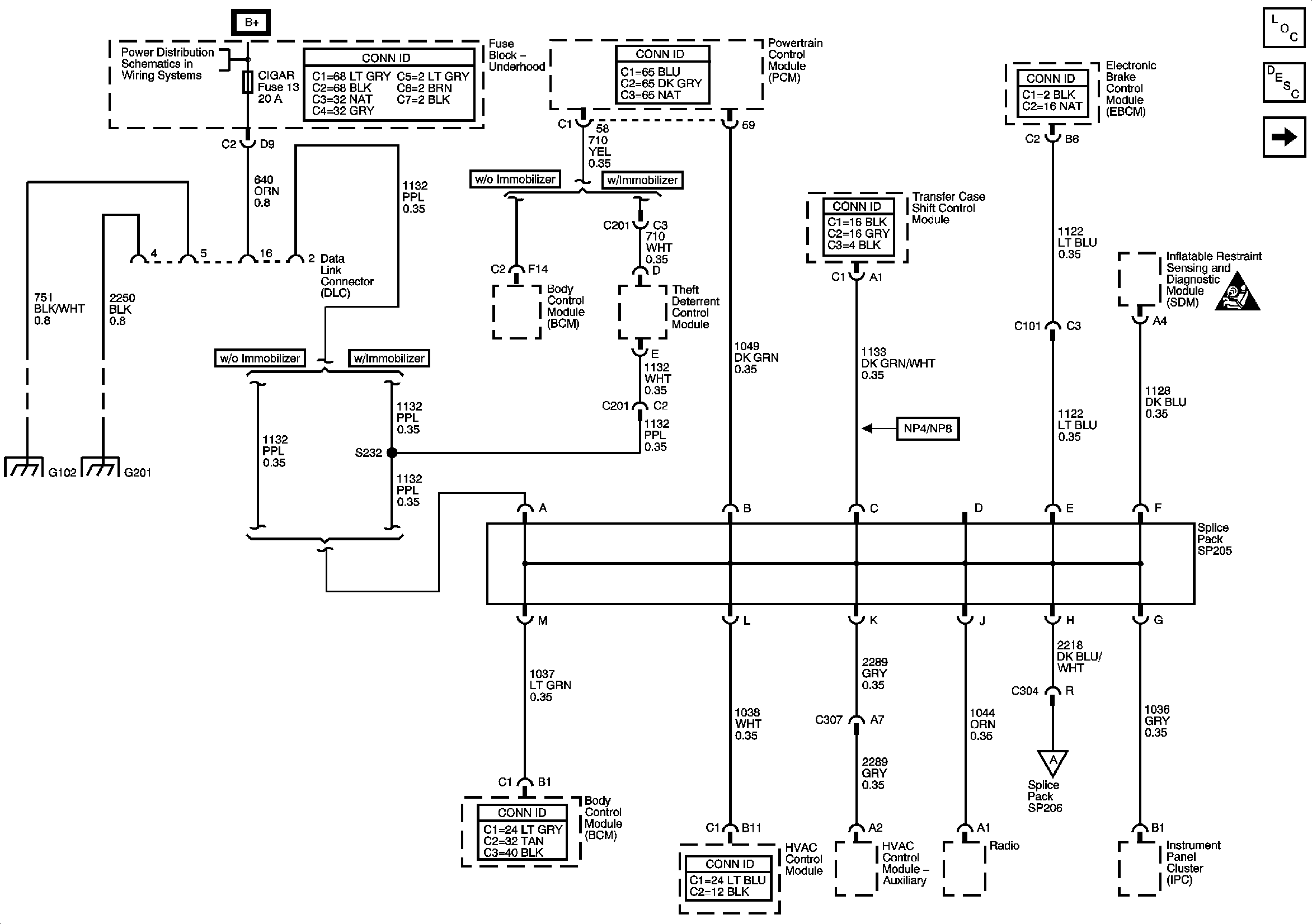
🢒 DLC and SP205
DLC and SP205
DLC and SP205
Master Electrical Component List
Data Link Communications Description and Operation
SP206
B+ Bus - Underhood Fuse Block
G102, G104, G105, and G109
G201 - 1 of 2
SP206