GM Service Manual Online
For 1990-2009 cars only
Makes
🢒
Chevrolet
🢒
2003
🢒
TrailBlazer - 2WD
🢒
Suspension
🢒
Air Suspension
🢒 Suspension Controls Schematics
Master Electrical Component List
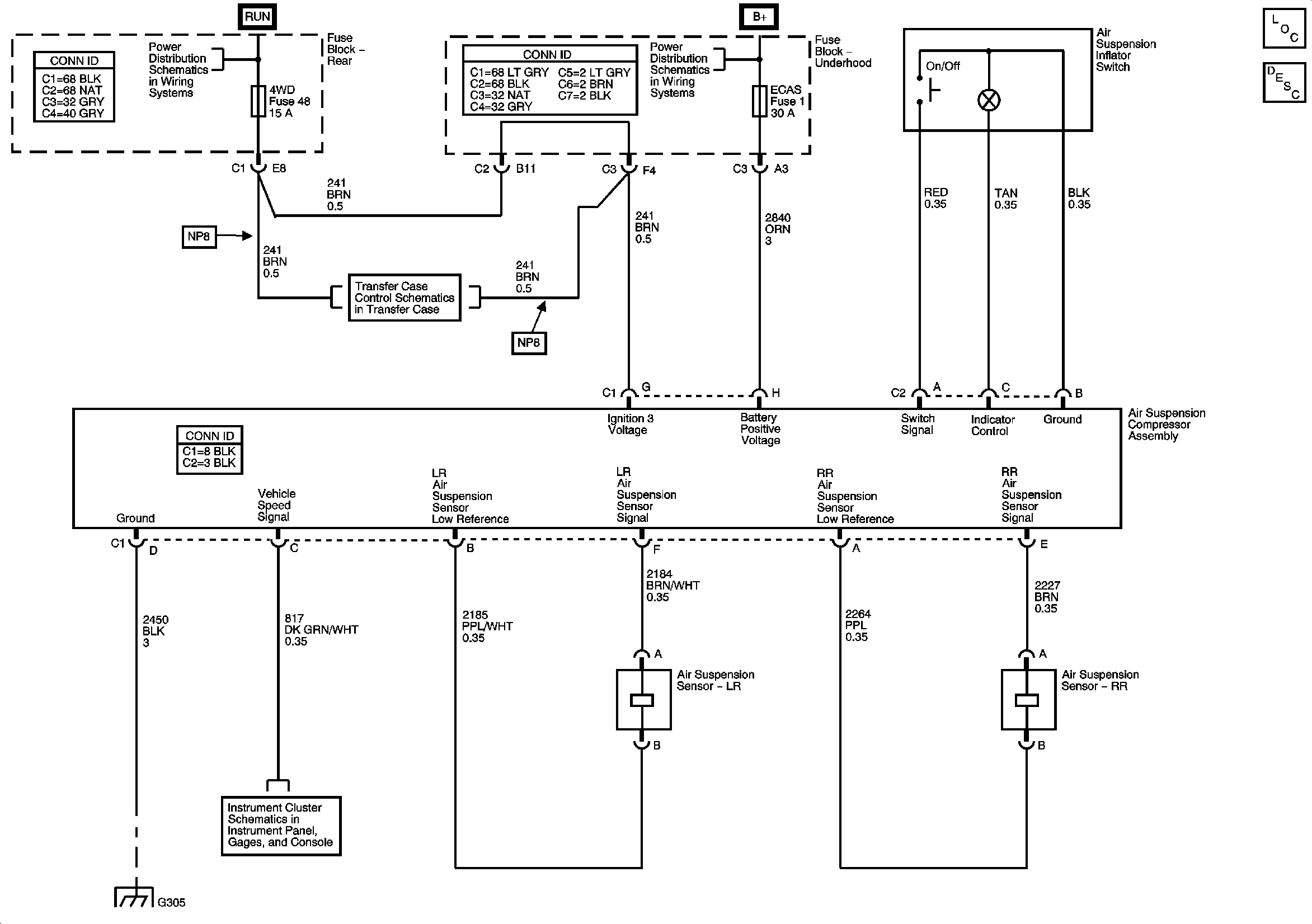
Air Suspension Description and Operation
G201 - 2 of 2, G305 and G306
Gages
O2, ETC, ENG I, SIR, HVAC, 4WD Fuses
COILS, CANISTER, ECAS, IPC/DIC, FLASH, TBC1, and PCM B Fuses
Speed Signal, Front Axel Actuator Control and Indicators