GM Service Manual Online
For 1990-2009 cars only
Makes
🢒
Chevrolet
🢒
2003
🢒
TrailBlazer - 2WD
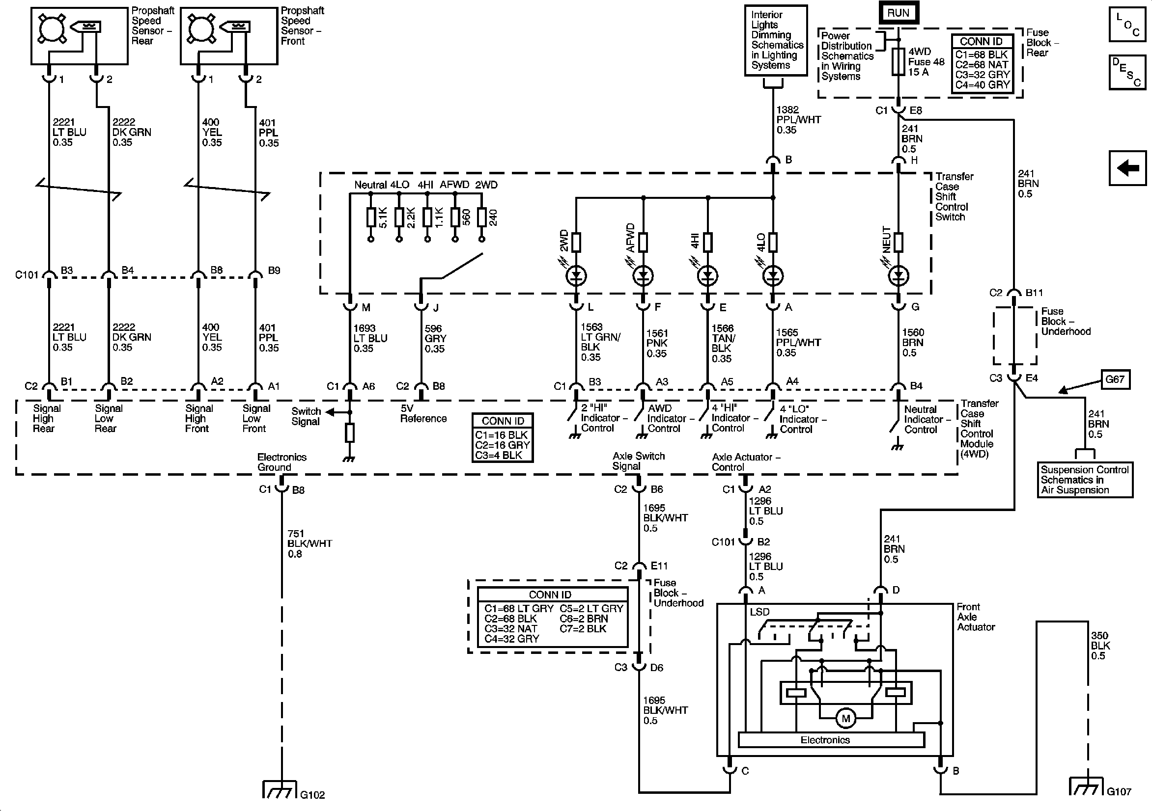
🢒 Speed Signal, Front Axel Actuator Control and Indicators
Speed Signal, Front Axel Actuator Control and Indicators
Speed Signal, Front Axle Actuator Control and Indicators
Master Electrical Component List
Transfer Case Circuit Description
Power, Ground, Serial Data and Transfer Case Encoder Motor