GM Service Manual Online
For 1990-2009 cars only
Makes
🢒
Chevrolet
🢒
2003
🢒
TrailBlazer - 2WD
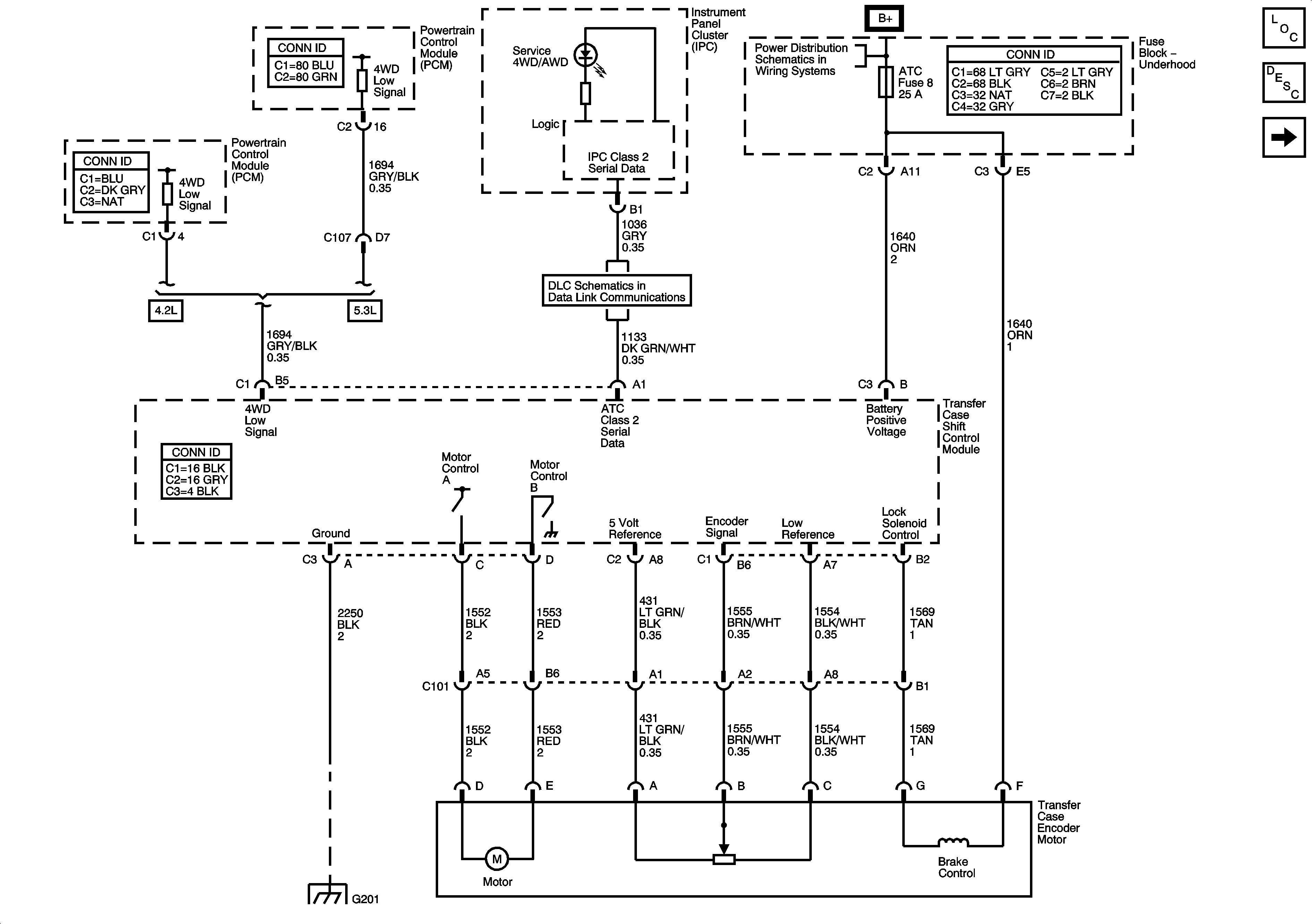
🢒 Power, Ground, Serial Data and Transfer Case Encoder Motor
Power, Ground, Serial Data and Transfer Case Encoder Motor
Power, Ground, Serial Data and Transfer Case Encoder Motor
Master Electrical Component List
Transfer Case Circuit Description
Speed Signal, Front Axel Actuator Control and Indicators
G201 - 1 of 2
Data Link Connector and SP205
TRAILER, ABS, ATC, BLOWER, ELEC BRK, CIGAR, ST/LP, VEH CHMSL, and VEH STOP fuses