GM Service Manual Online
For 1990-2009 cars only
Makes
🢒
Chevrolet
🢒
2003
🢒
TrailBlazer - 2WD
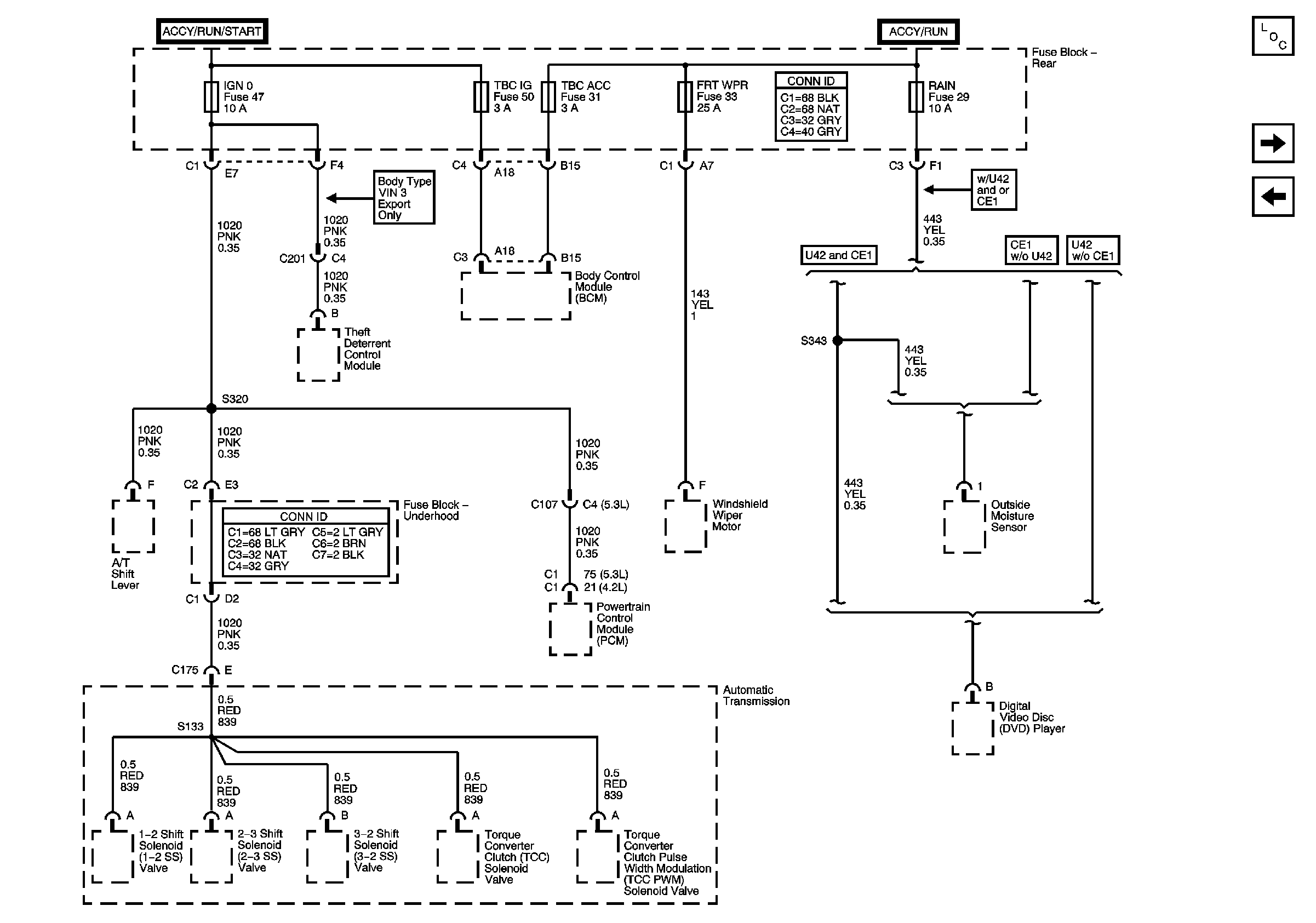
🢒 IGN 0, TBC IF, TBC ACC, FRT WPR, and RAIN Fuses
IGN 0, TBC IF, TBC ACC, FRT WPR, and RAIN Fuses
IGN 0, TBC IG, TBC ACC, FRT WPR, and RAIN Fuses
Master Electrical Component List
IGN E TBC IGN 1, BACK UP, BTSI, and TRLR B/U Fuses
TRL L TRN, TRL R TRN, LT TURN and RT TURN Fuses