GM Service Manual Online
For 1990-2009 cars only
Makes
🢒
Chevrolet
🢒
2003
🢒
TrailBlazer - 2WD
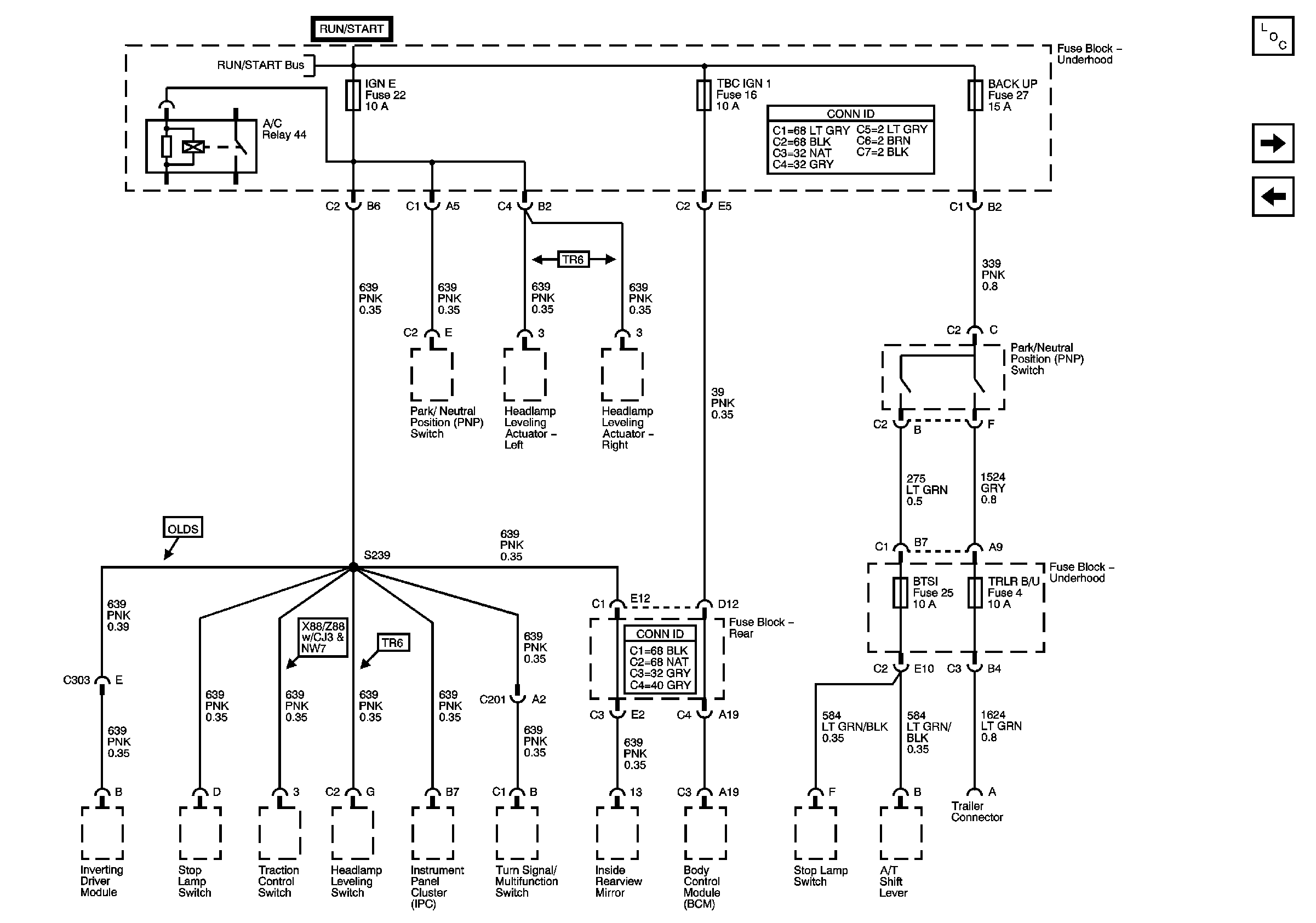
🢒 IGN E TBC IGN 1, BACK UP, BTSI,and TRLR B/U Fuses
IGN E TBC IGN 1, BACK UP, BTSI,and TRLR B/U Fuses
IGN E, TBC IGN 1, BACK UP, BTSI, and TRLR B/U Fuses
Master Electrical Component List
PCM I Fuse - 4.2L
IGN 0, TBC IF, TBC ACC, FRT WPR, and RAIN Fuses
ACCY/RUN and RUN/START Bus Bars