GM Service Manual Online
For 1990-2009 cars only
Makes
🢒
Chevrolet
🢒
2003
🢒
TrailBlazer - 2WD
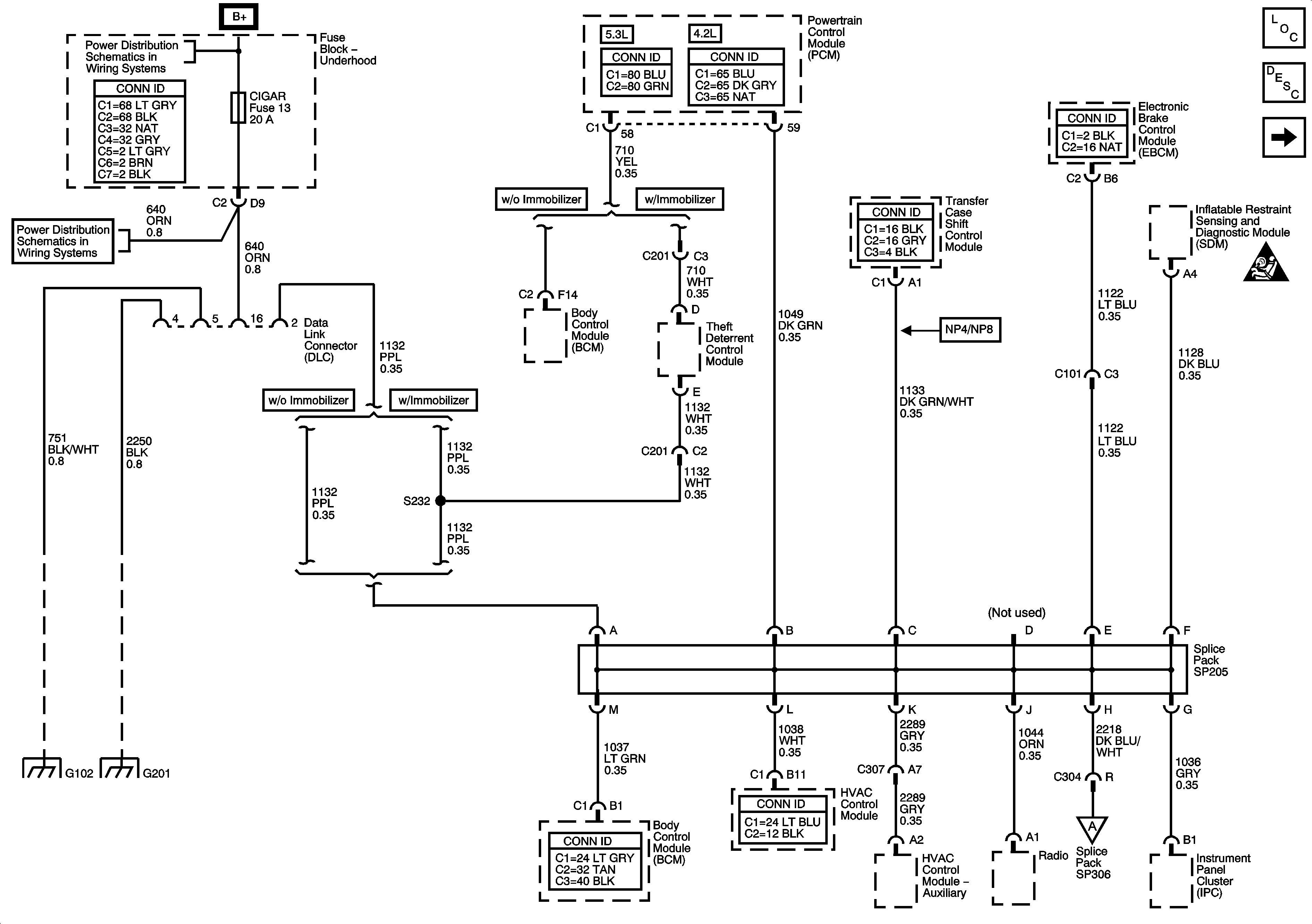
🢒 Data Link Connector and SP205
Data Link Connector and SP205
Data Link Connector and SP205
Master Electrical Component List
Data Link Communications Description and Operation
SP306
SIR Caution for Zoning
SP306
G201 - 1 of 2
G102, G104, G105 and G107
TRAILER, ABS, ATC, BLOWER, ELEC BRK, CIGAR, ST/LP, VEH CHMSL, and VEH STOP fuses