GM Service Manual Online
For 1990-2009 cars only
Makes
🢒
Chevrolet
🢒
2003
🢒
TrailBlazer - 2WD
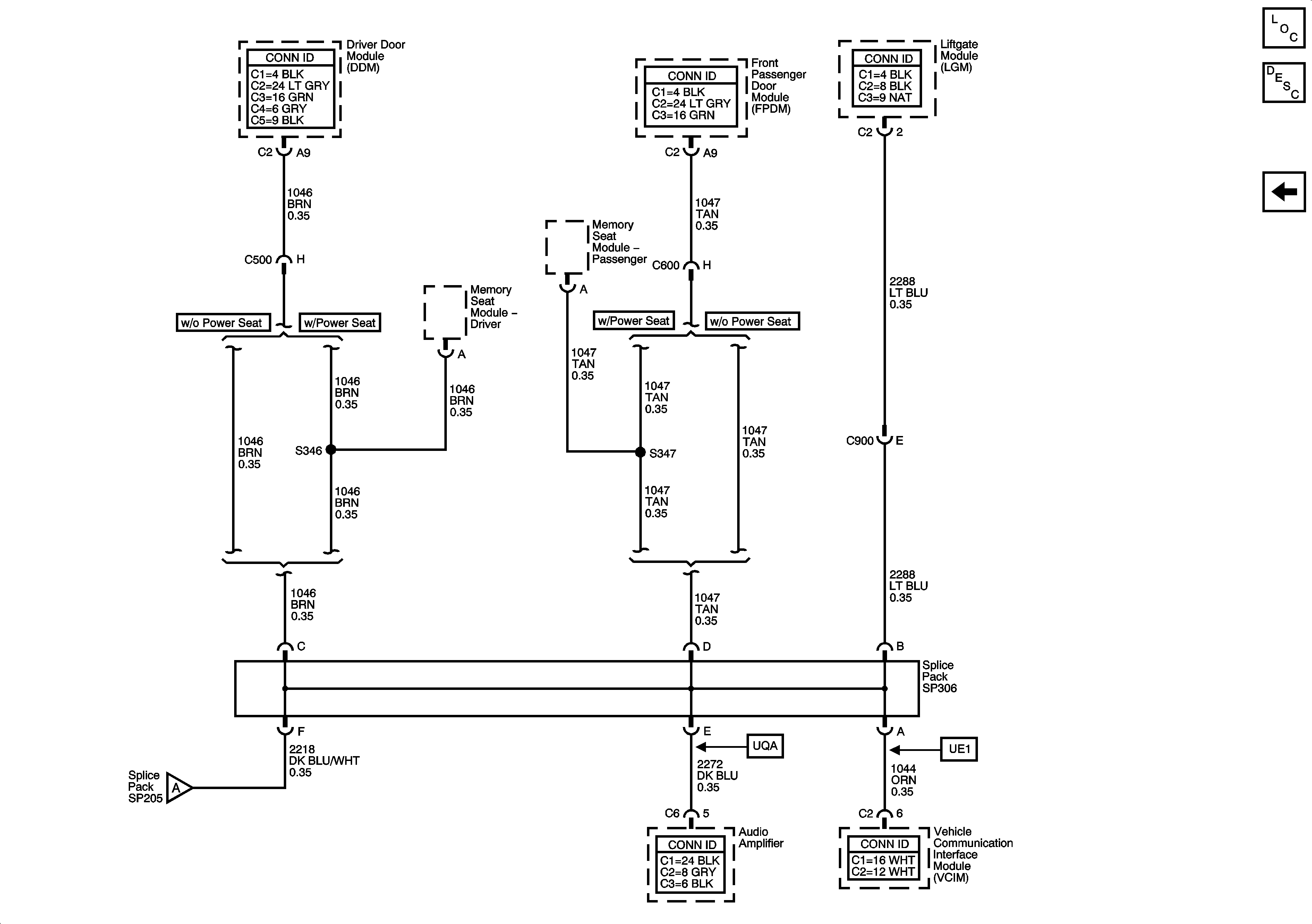
🢒 SP306
SP306
SP306
Master Electrical Component List
Data Link Communications Description and Operation
Data Link Connector and SP205
Data Link Connector and SP205