GM Service Manual Online
For 1990-2009 cars only
Makes
🢒
Chevrolet
🢒
2004
🢒
TrailBlazer - 2WD
🢒
Suspension
🢒
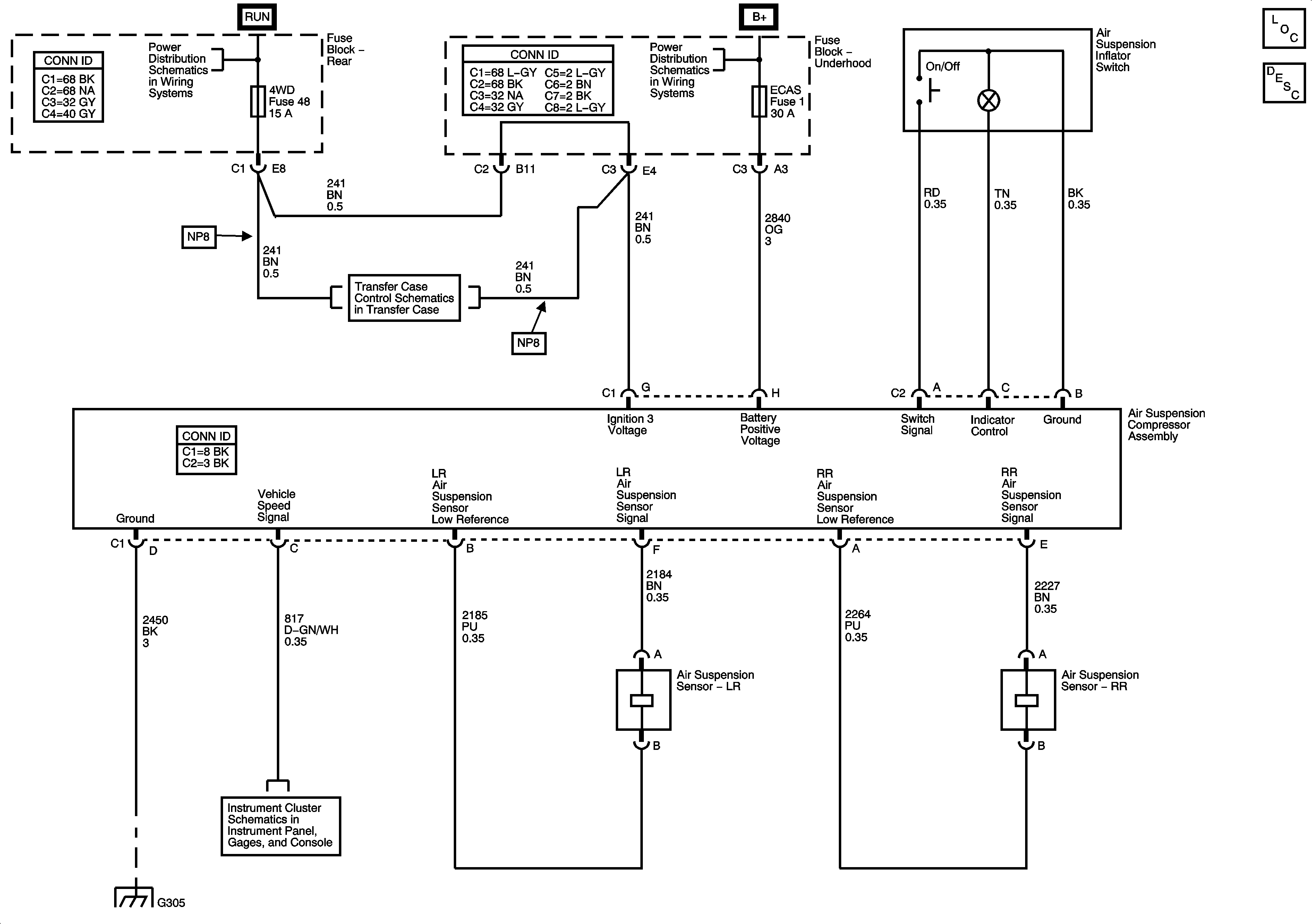
Air Suspension
🢒 Suspension Controls Schematics
Master Electrical Component List
Air Suspension Description and Operation
ACCY/RUN/START, RUN, and START Bus Bars
B+ Bus - Underhood Fuse Block
Speed Signal, Front Axle Actuator Control, and Indicators
G201 - 2 of 2, and G305
Gages