GM Service Manual Online
For 1990-2009 cars only
Makes
🢒
Chevrolet
🢒
2004
🢒
TrailBlazer - 2WD
🢒
Brakes
🢒
Antilock Brake System
🢒 Antilock Brake System Schematics
Figure
1:
EBCM Power, Ground, Serial Data, Indicator, and Signal Circuits
Master Electrical Component List
ABS Description and Operation W/O NW7
Traction Control (NW7) and Wheel Speed Sensors - Except Buick/Oldsmobile
B+ Bus - Underhood Fuse Block
ACCY/RUN and RUN/START Bus Bars
ACCY/RUN/START, RUN, and START Bus Bars
IGN E, TBC IGN 1, BACKUP, BTSI, and TRLR B/U Fuses
IGN E, TBC IGN 1, BACKUP, BTSI, and TRLR B/U Fuses
Transmission Control References - A/T
Controlled/Monitored Subsystem References
G302 - 1 of 2, G303, and G304
Power, Ground, Data Link Connector, and SP205
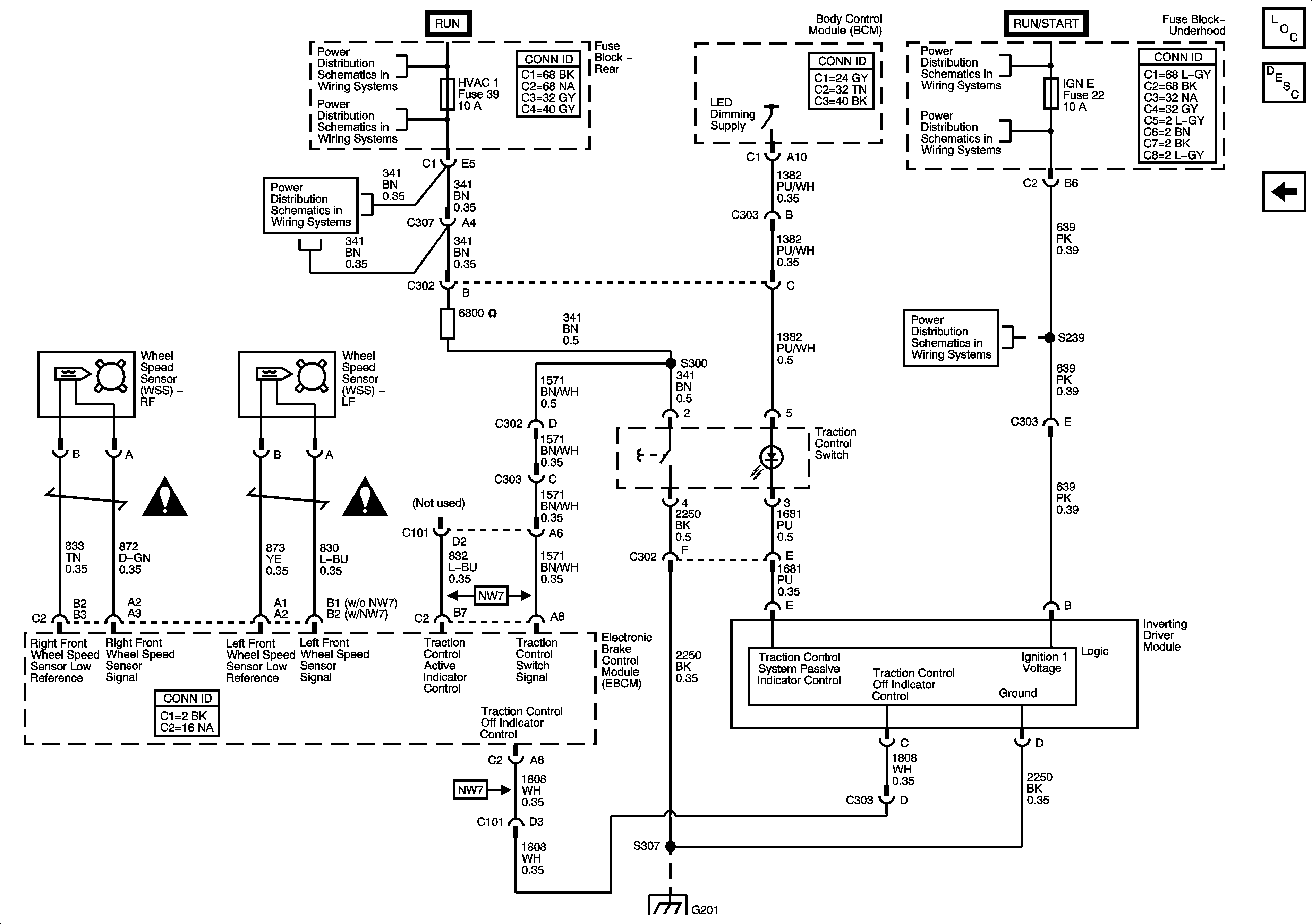
Figure
2:
Traction Control (NW7) and Wheel Speed Sensors - Except Buick/Oldsmobile
Master Electrical Component List
ABS Description and Operation W/NW7
Traction Control (NW7) and Wheel Speed Sensors - Buick/Oldmobile
EBCM Power, Ground, Serial Data, Indicator, and Signal Circuits
ACCY/RUN/START, RUN, and START Bus Bars
ACCY/RUN and RUN/START Bus Bars
IGN E, TBC IGN 1, BACKUP, BTSI, and TRLR B/U Fuses
Antilock Brake System Schematic Icons
Antilock Brake System Schematic Icons
IGN E, TBC IGN 1, BACKUP, BTSI, and TRLR B/U Fuses
Courtesy Lamp Supply - 1 of 2
G201 - 2 of 2, and G305
Figure
3:
Traction Control (NW7) and Wheel Speed Sensors - Buick/Oldsmobile
Master Electrical Component List
ABS Description and Operation W/NW7
Traction Control (NW7) and Wheel Speed Sensors - Except Buick/Oldsmobile
ACCY/RUN/START, RUN, and START Bus Bars
ACCY/RUN and RUN/START Bus Bars
HVAC I, BRAKE, and TBC RUN Fuses
IGN E, TBC IGN 1, BACKUP, BTSI, and TRLR B/U Fuses
HVAC I, BRAKE, and TBC RUN Fuses
IGN E, TBC IGN 1, BACKUP, BTSI, and TRLR B/U Fuses
Antilock Brake System Schematic Icons
Antilock Brake System Schematic Icons
G201 - 1 of 2