GM Service Manual Online
For 1990-2009 cars only
Makes
🢒
Chevrolet
🢒
2004
🢒
TrailBlazer - 2WD
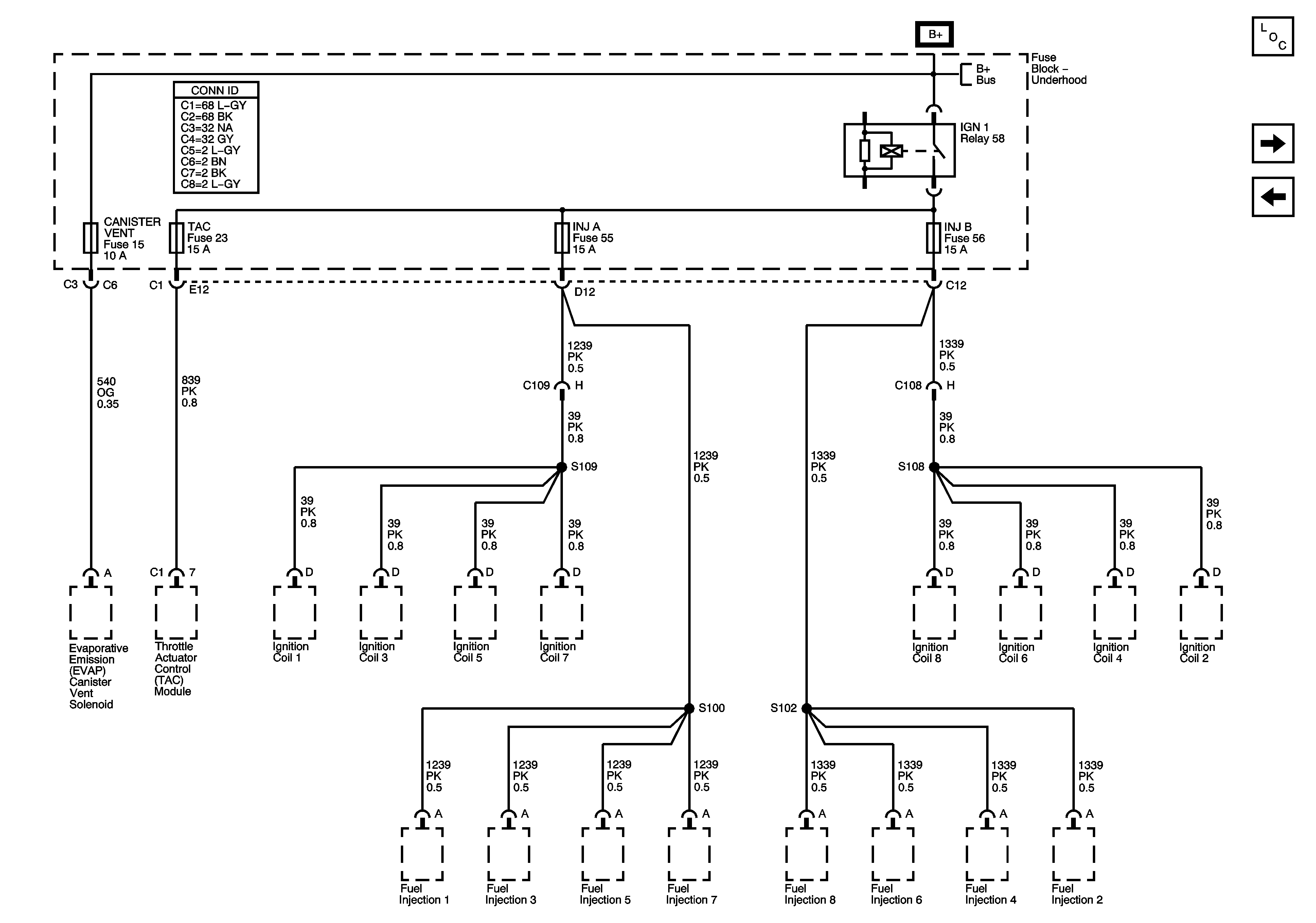
🢒 CANISTER VENT, TAC, INJ A, and INJ B Fuses - 5.3L
CANISTER VENT, TAC, INJ A, and INJ B Fuses - 5.3L
CANISTER VENT, TAC, INJ A and INJ B Fuses - 5.3L
Master Electrical Component List
LGM/DSM, OH BATT/ONSTAR, RADIO, and HVAC B Fuses
COILS, AIR, EAP, TBC 1, PCM B, LOW HDLP-RT, LOW HDLP-LT, HI HDLP-LT, and HI HDLP-RT Fuses