GM Service Manual Online
For 1990-2009 cars only
Makes
🢒
Chevrolet
🢒
2004
🢒
TrailBlazer - 2WD
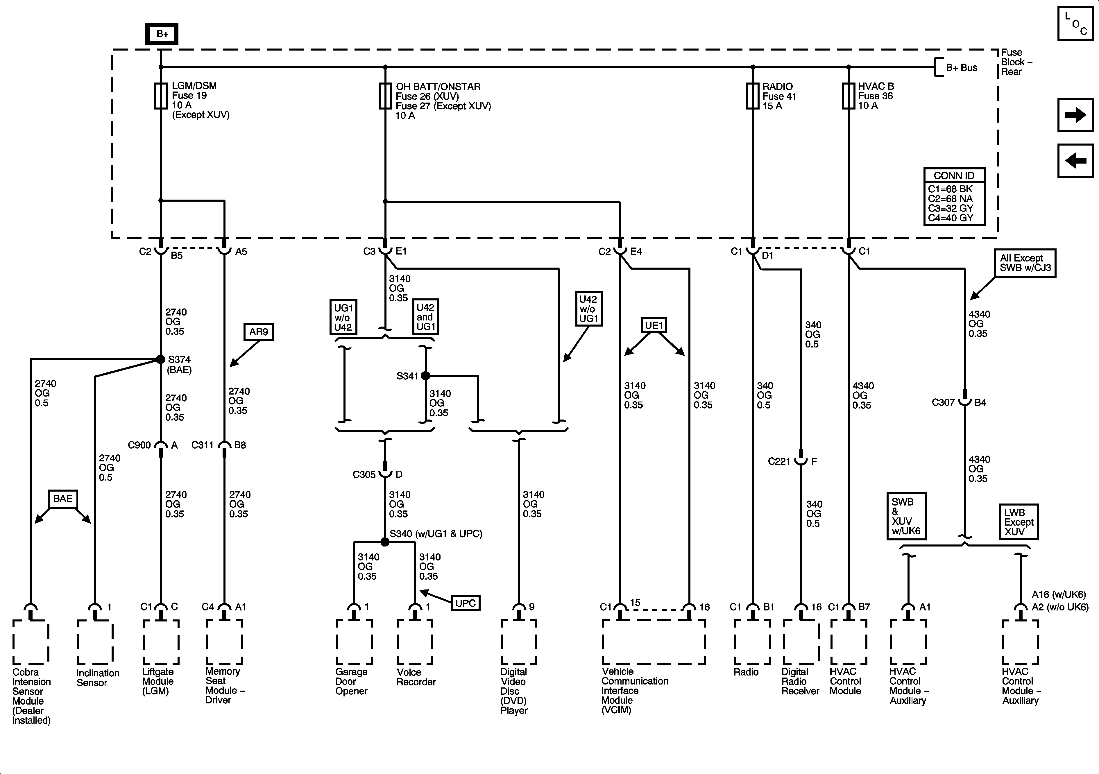
🢒 LGM/DSM, OH BATT/ONSTAR, RADIO, and HVAC B Fuses
LGM/DSM, OH BATT/ONSTAR, RADIO, and HVAC B Fuses
LGM/DSM, OH BATT/ONSTAR, RADIO, and HVAC B Fuses
Master Electrical Component List
SUNROOF, AUX PWR 1, AUX PWR 2, RR HVAC, TBC 2, TBC 3, TBC 4, and TBC 5 Fuses
CANISTER VENT, TAC, INJ A, and INJ B Fuses - 5.3L