GM Service Manual Online
For 1990-2009 cars only
Makes
🢒
Chevrolet
🢒
2008
🢒
TrailBlazer - 2WD
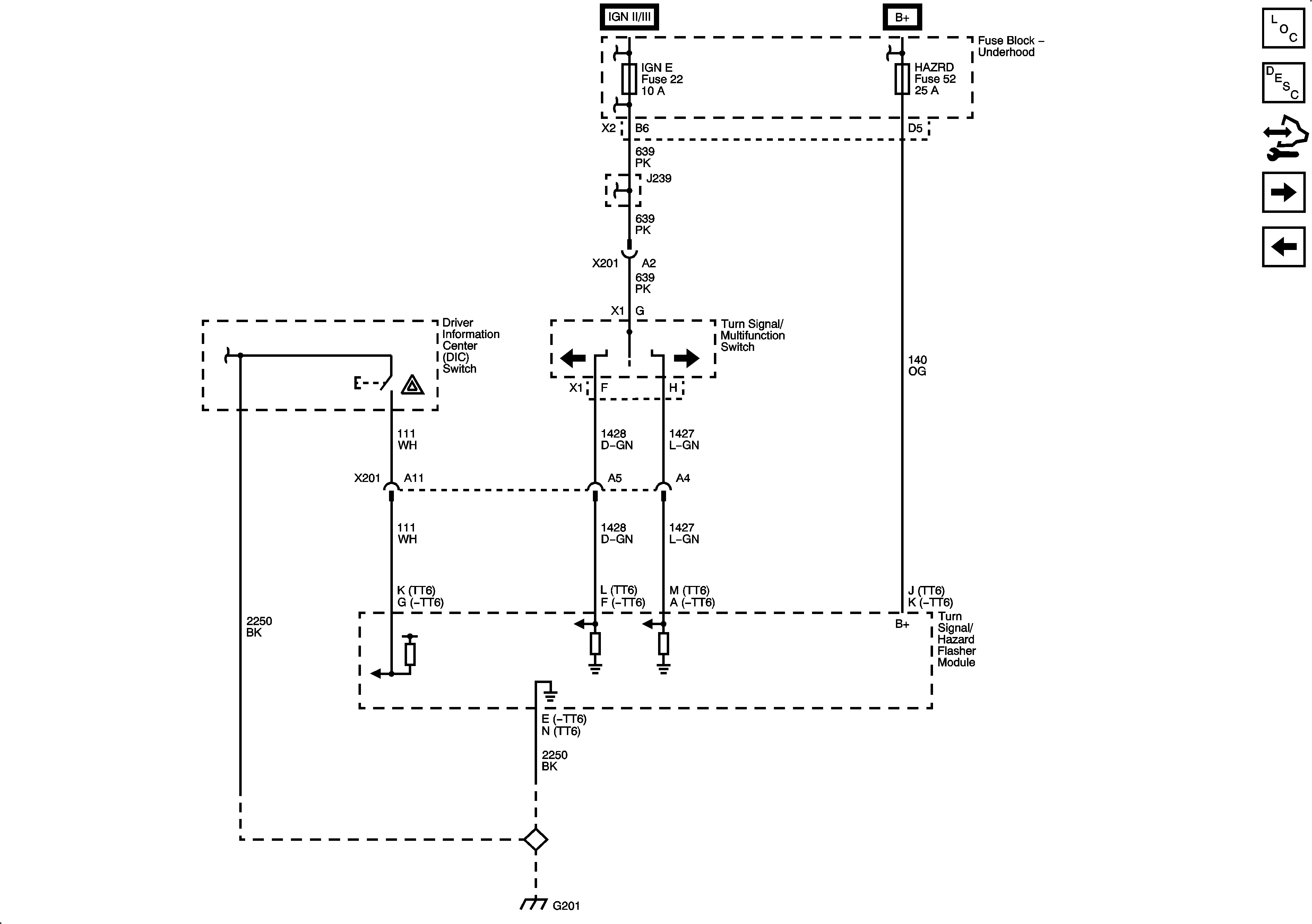
🢒 Turn Signal Lamps Controls
Turn Signal Lamps Controls
Turn Signal Lamps Controls
Master Electrical Component List
Exterior Lighting Systems Description and Operation
Control Module References
Left Turn Signals
Stop Lamps