GM Service Manual Online
For 1990-2009 cars only
Makes
🢒
Chevrolet
🢒
2008
🢒
TrailBlazer - 2WD
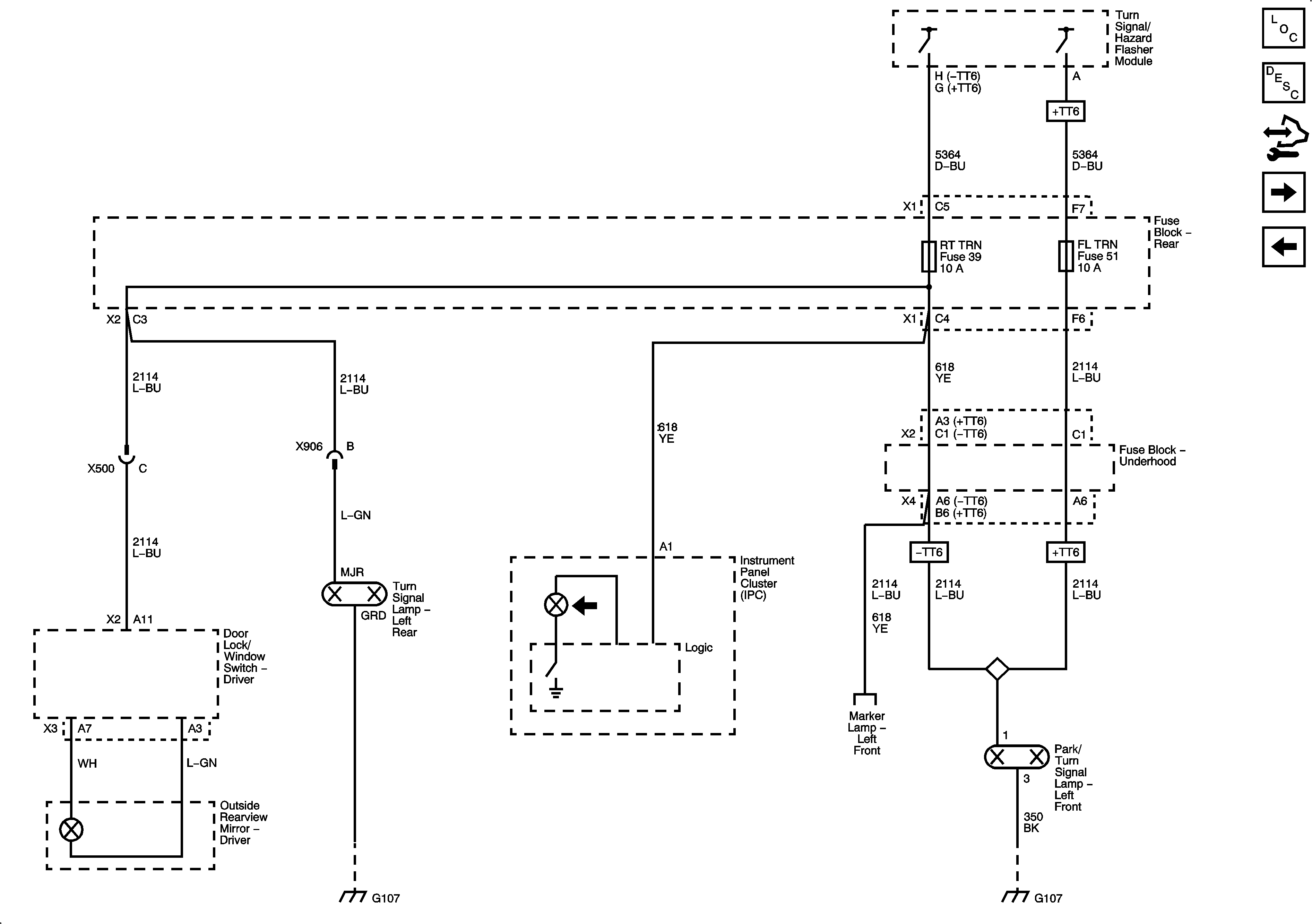
🢒 Left Turn Signals
Left Turn Signals
Left Turn Signals
Master Electrical Component List
Exterior Lighting Systems Description and Operation
Control Module References
Right Turn Signals
Turn Signal Lamps Controls