GM Service Manual Online
For 1990-2009 cars only
Makes
🢒
Chevrolet
🢒
2002
🢒
TrailBlazer - 4WD
🢒
Body and Accessories
🢒
Instrument Panel, Gages, and Console
🢒 Instrument Cluster Schematics
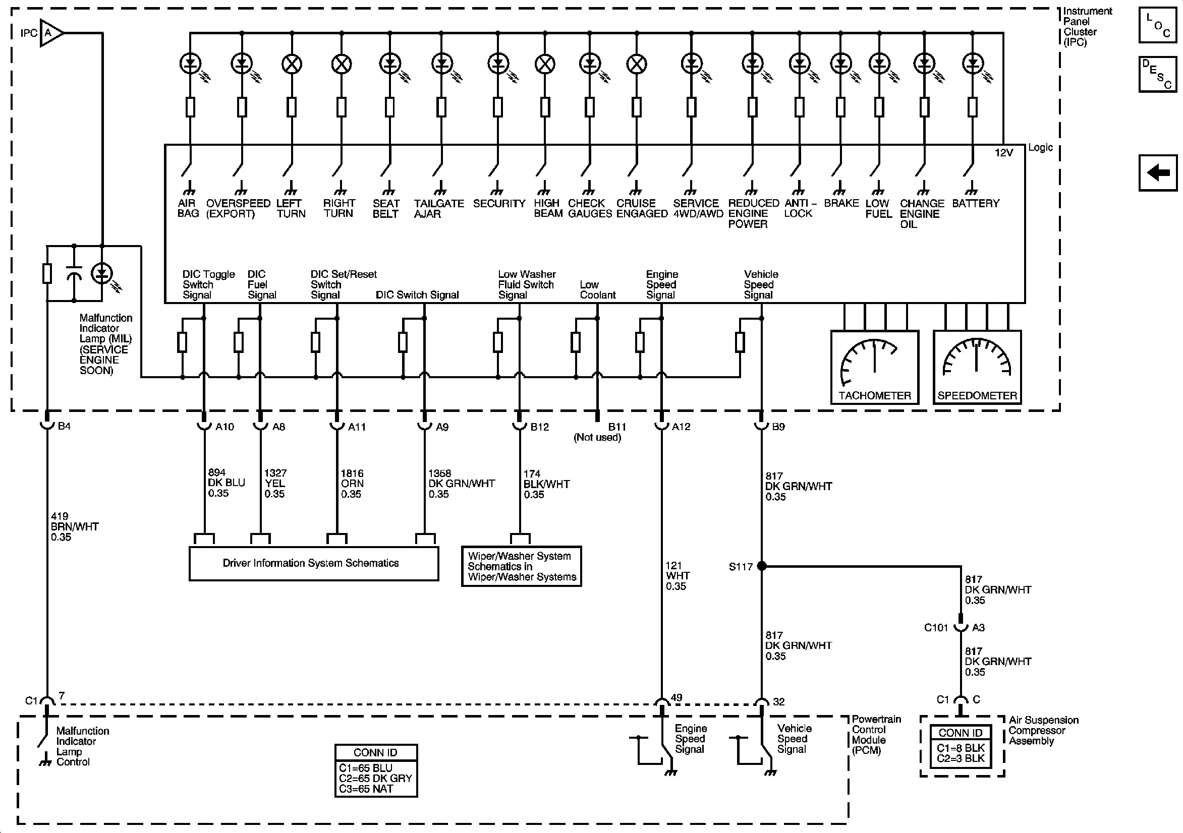
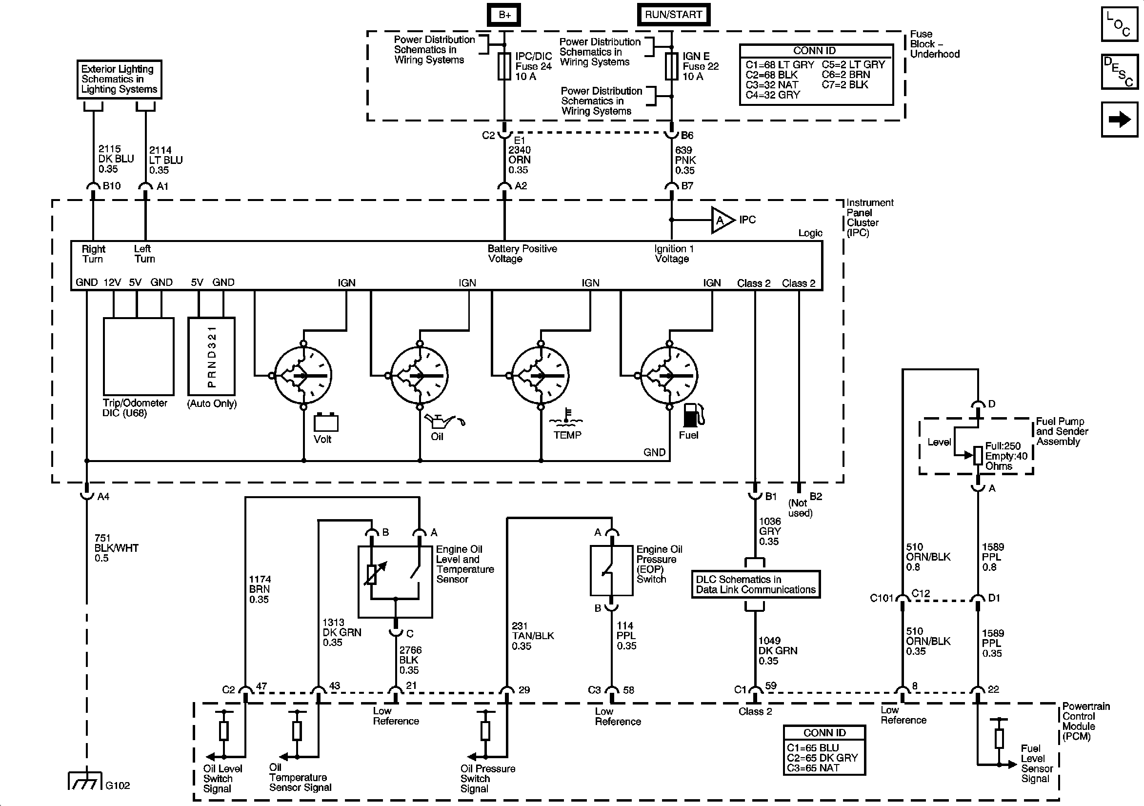
Figure
1:
Power, Ground, Serial Data, and Gages
Master Electrical Component List
Instrument Cluster Description and Operation
Indicators
Front Lamps
B+ Bus - Underhood Fuse Block
ACCY/RUN and RUN/START Bus Bars
IGN E, TBC IGN1, BACK UP, BTSI, and TRLR B/U Fuses
Indicators
DLC and SP205
G102, G104, G105, and G109
Figure
2:
Indicators
Master Electrical Component List
Indicator/Warning Message Description and Operation
Power, Ground, Serial Data, and Gages
Power, Ground, Serial Data, and Gages
Driver Information System Schematics
Wiper/Washer Switch, and Washer Fluid Level Switch