GM Service Manual Online
For 1990-2009 cars only
Makes
🢒
Chevrolet
🢒
2002
🢒
TrailBlazer - 4WD
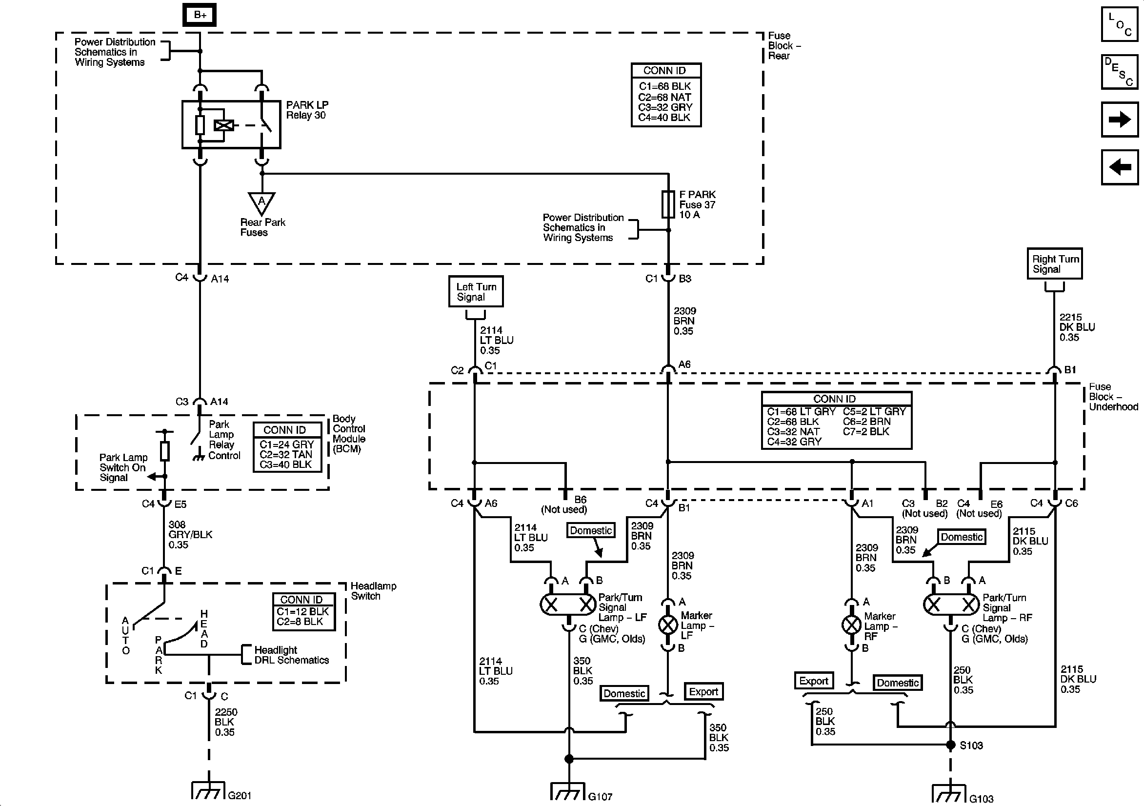
🢒 Front Lamps
Front Lamps
Front Lamps
Master Electrical Component List
Exterior Lighting Systems Description and Operation
License and Tail Lamps
Right Turn Signal
B+ Bus - Rear Fuse Block
License and Tail Lamps
RR FOG, LR PARK, TR PARK, RR PARK, F PARK, LGM #2 Fuses, RR WIPER and SEATS Circuit Breakers
Left Turn Signal
Right Turn Signal
Headlamp Switch
G201 - 1 of 2
G107 and G108
G101, G103, G106, and G110