GM Service Manual Online
For 1990-2009 cars only
Makes
🢒
Chevrolet
🢒
2002
🢒
TrailBlazer - 4WD
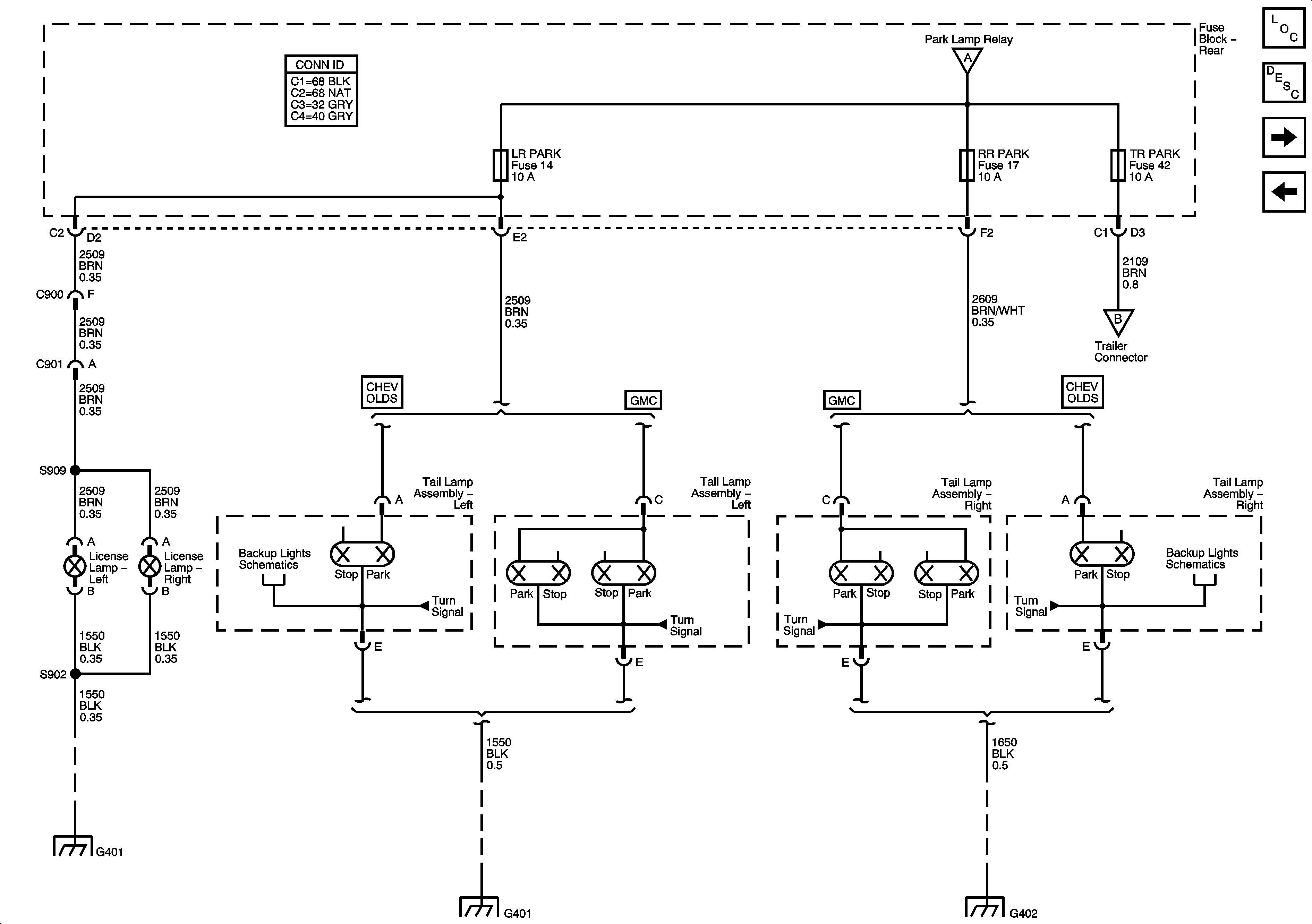
🢒 License and Tail Lamps
License and Tail Lamps
License and Tail Lamps
Master Electrical Component List
Exterior Lighting Systems Description and Operation
Stop Lamps
Front Lamps
Front Lamps
Trailer Wiring
Backup Lamps
Left Turn Signal
Left Turn Signal
Right Turn Signal
Right Turn Signal
Backup Lamps
G401, G402, and G403
G401, G402, and G403
G401, G402, and G403