GM Service Manual Online
For 1990-2009 cars only
Makes
🢒
Chevrolet
🢒
2002
🢒
TrailBlazer - 4WD
🢒 Backup Lamps
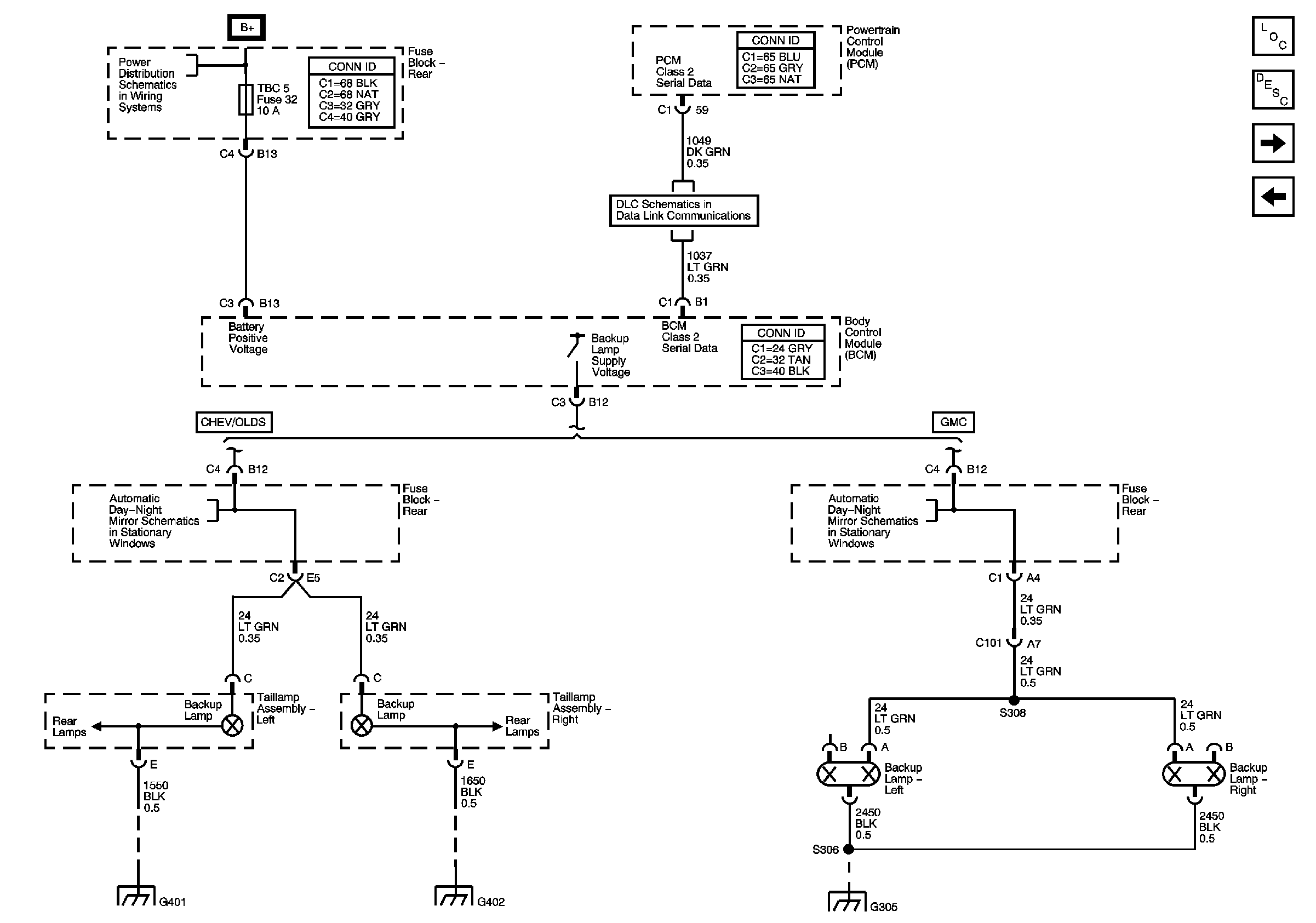
Backup Lamps
Backup Lamps
Master Electrical Component List
Exterior Lighting Systems Description and Operation
Trailer Wiring
Stop Lamps
B+ Bus - Rear Fuse Block
DLC and SP205
Inside Rearview Mirror Schematics
Inside Rearview Mirror Schematics
License and Tail Lamps
License and Tail Lamps
G401, G402, and G403
G401, G402, and G403
G201 - 2 of 2, G305 and G306