GM Service Manual Online
For 1990-2009 cars only
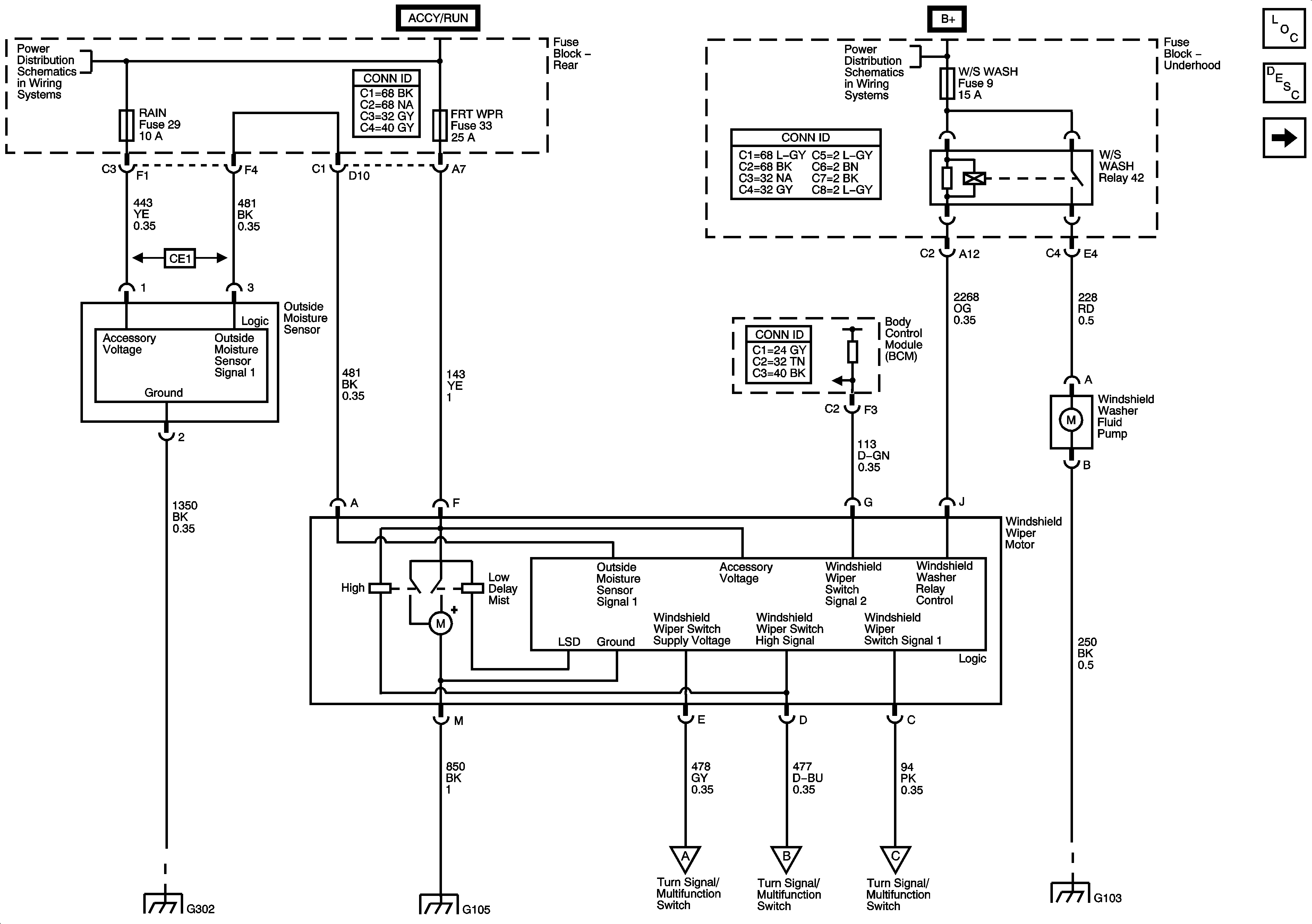
Figure 1:

Outside Moisture Sensor and Front Wiper/Washer Motor


Object Number: 1299114  Size: FS
Master Electrical Component List
Wiper/Washer System Description and Operation
Wiper/Washer Switch and Washer Fluid Level Switch
ACCY/RUN and RUN/START Bus Bars
B+ Bus - Underhood Fuse Block
G302 - 2 of 2
G104, G105, and G107
Wiper/Washer Switch and Washer Fluid Level Switch
G101, G103, G106, and G110
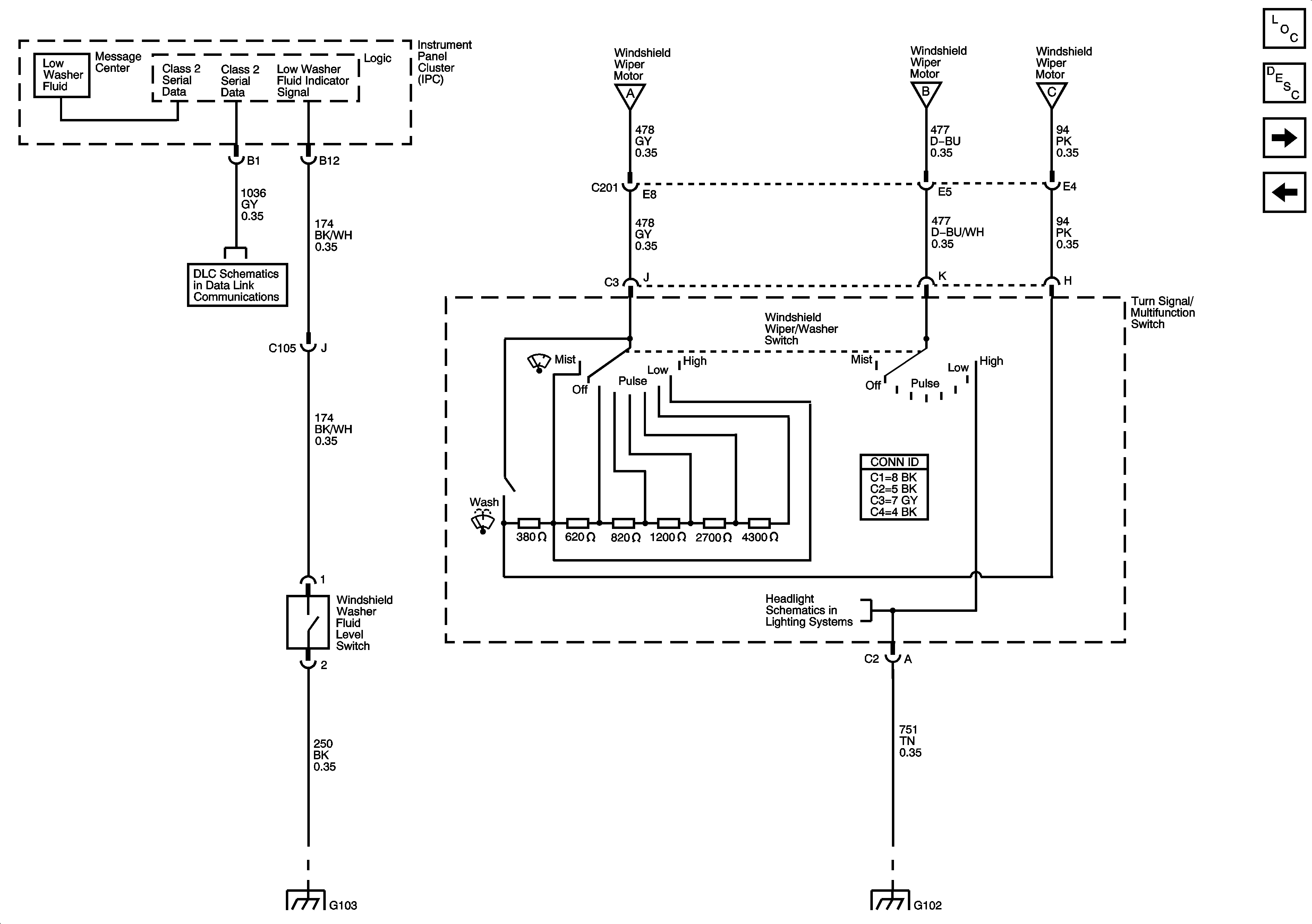
Figure 2:

Wiper/Washer Switch and Washer Fluid Level Switch


Object Number: 1299141  Size: FS
Master Electrical Component List
Wiper/Washer System Description and Operation
Headlamp Washer - CE4
Outside Moisture Sensor and Front Wiper/Washer Motor
Outside Moisture Sensor and Front Wiper/Washer Motor
Outside Moisture Sensor and Front Wiper/Washer Motor
G101, G103, G106, and G110
G102
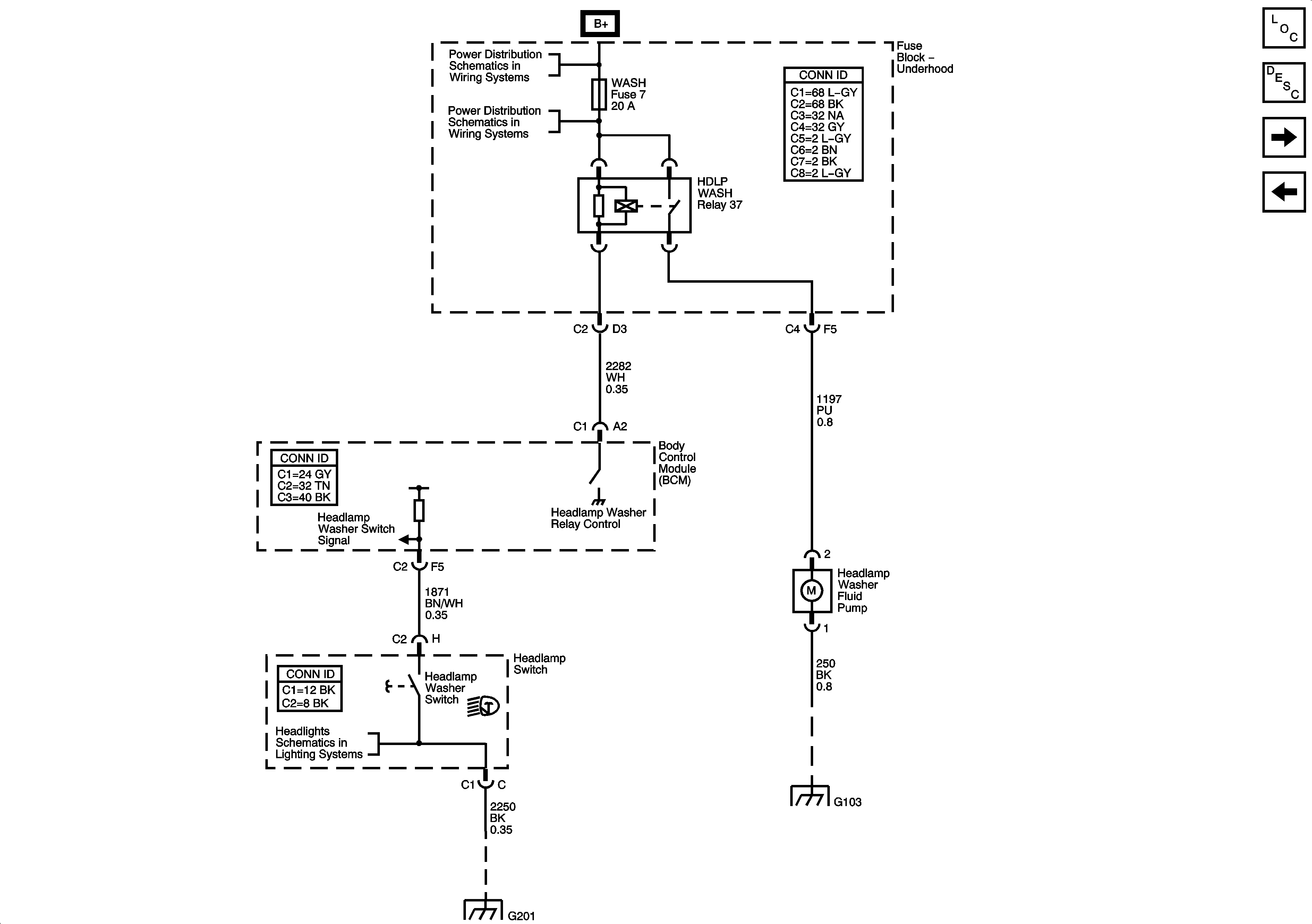
Figure 3:

Headlamp Washer - CE4


Object Number: 1299142  Size: FS
Master Electrical Component List
Headlamp Washer System Description and Operation
Rear Wiper/Washer Controls - CD6
Wiper/Washer Switch and Washer Fluid Level Switch
B+ Bus - Underhood Fuse Block
B+ Bus - Underhood Fuse Block
Headlamp Switch
G101, G103, G106, and G110
G201 - 1 of 2
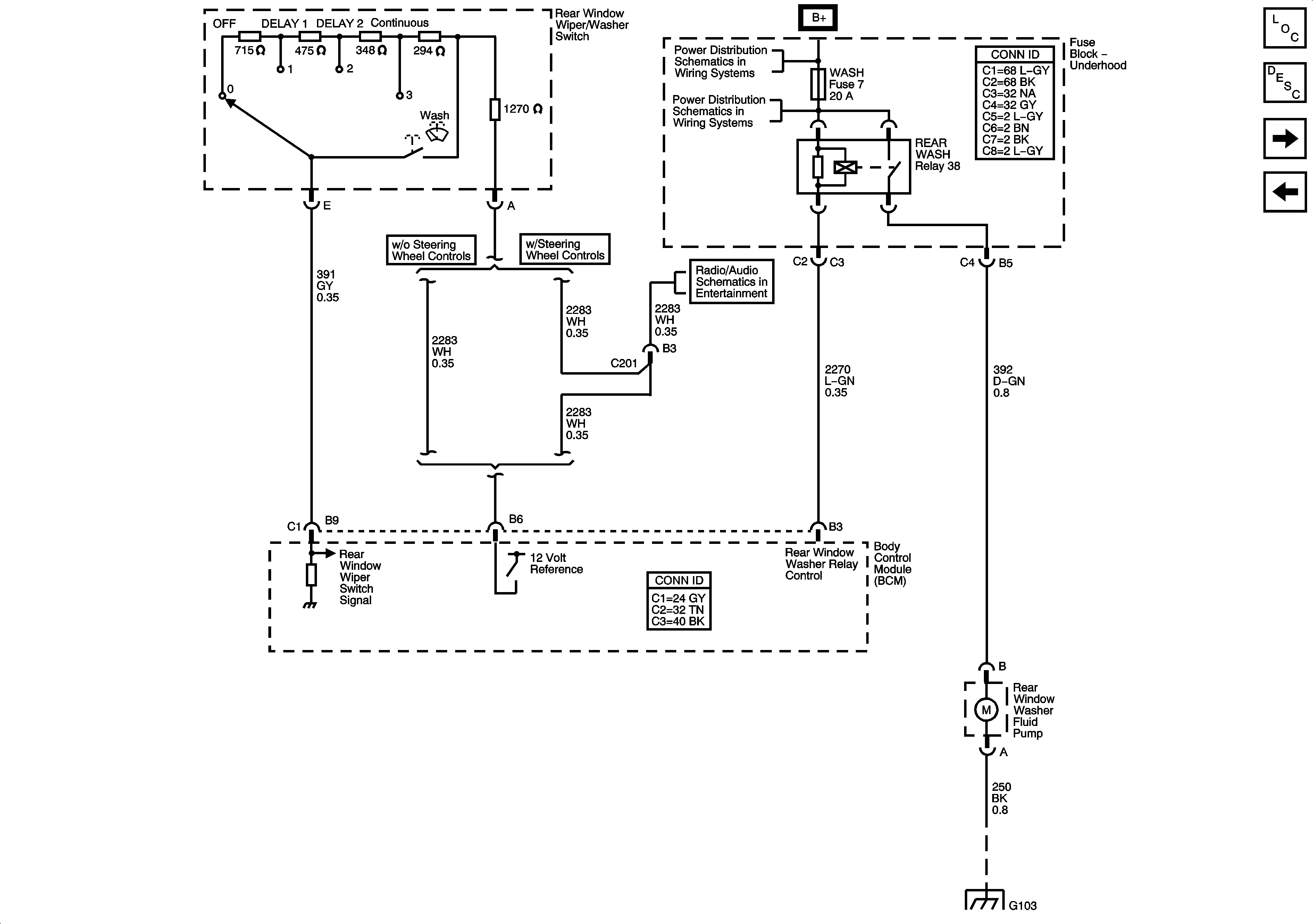
Figure 4:

Rear Wiper/Washer Controls - CD6


Object Number: 1299144  Size: FS
Master Electrical Component List
Rear Wiper/Washer System Description and Operation
Rear Window Wiper Motor - CD6
Headlamp Washer - CE4
B+ Bus - Underhood Fuse Block
B+ Bus - Underhood Fuse Block
Steering Wheel Controls
G101, G103, G106, and G110
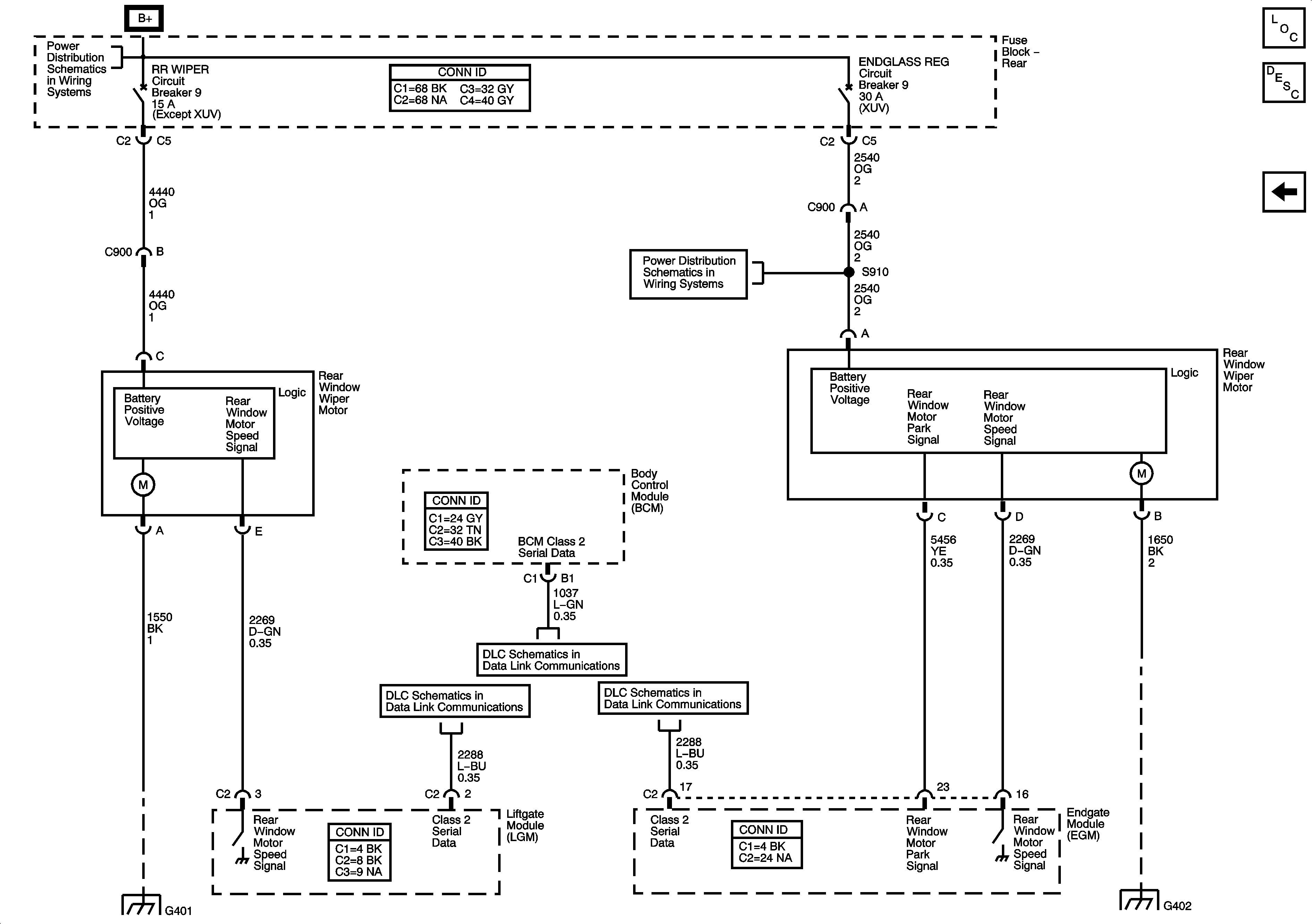
Figure 5:

Rear Window Wiper Motor - CD6


Object Number: 1332523  Size: FS
Master Electrical Component List
Rear Wiper/Washer System Description and Operation
Rear Wiper/Washer Controls - CD6
B+ Bus - Rear Fuse Block
ROOF, PWR LATCH, EGM #2, and EGM/DSM Fuses, and ROOF REG, MIDGATE REG, and ENDGLASS REG Circuit Breakers - XUV
Power, Ground, Data Link Connector, and SP205
SP306 - Except XUV
SP306 - XUV
G401, G402, and G403 - Except XUV
G401, G402, and G403 - XUV