GM Service Manual Online
For 1990-2009 cars only
Makes
🢒
Chevrolet
🢒
2004
🢒
TrailBlazer - 4WD
🢒 Interior Lamps Controls
Interior Lamps Controls
Interior Lamps Controls
Master Electrical Component List
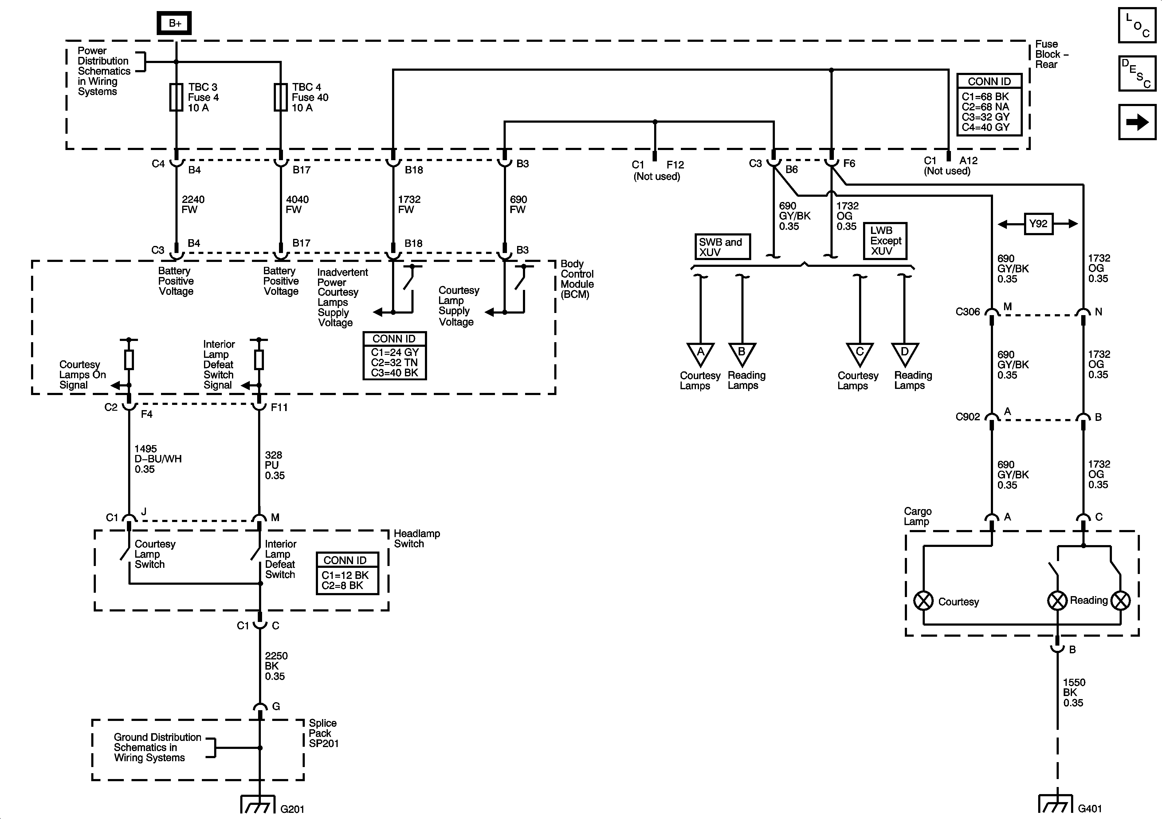
Interior Lighting Systems Description and Operation
Interior Lamps - Short Wheelbase (SWB) and XUV
B+ Bus - Rear Fuse Block
Interior Lamps - Short Wheelbase (SWB) and XUV
Interior Lamps - Long Wheelbase (LWB) Except XUV
G201 - 1 of 2
G201 - 1 of 2
G401, G402, and G403 - Except XUV