GM Service Manual Online
For 1990-2009 cars only
Makes
🢒
Chevrolet
🢒
2004
🢒
TrailBlazer - 4WD
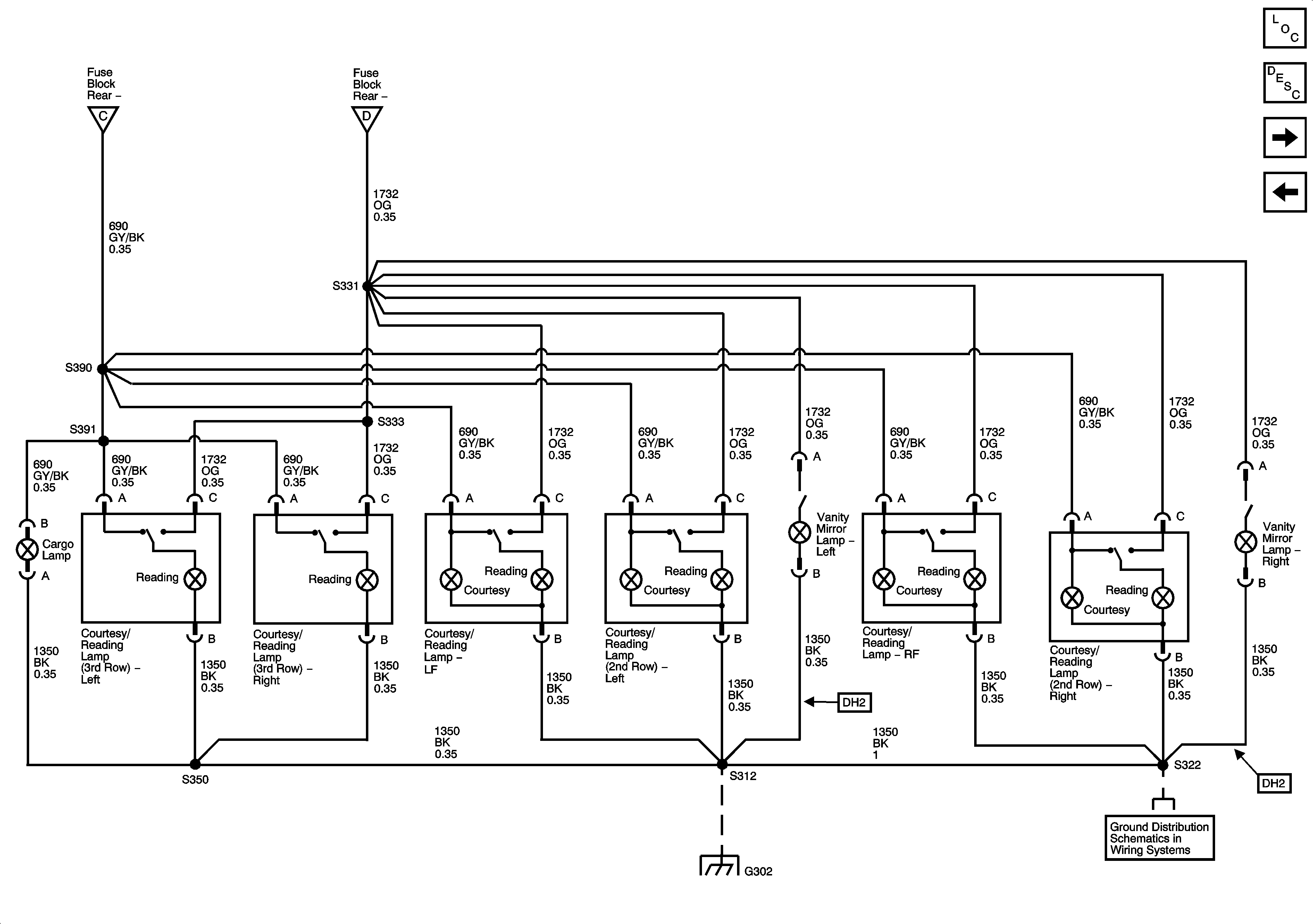
🢒 Interior Lamps - Long Wheelbase (LWB) Except XUV
Interior Lamps - Long Wheelbase (LWB) Except XUV
Interior Lamps - Long Wheelbase (LWB) Except XUV
Master Electrical Component List
Interior Lighting Systems Description and Operation
Door Switch Inputs
Interior Lamps - Short Wheelbase (SWB) and XUV
Interior Lamps Controls
Interior Lamps Controls
G302 - 2 of 2
G302 - 2 of 2