GM Service Manual Online
For 1990-2009 cars only
Makes
🢒
Chevrolet
🢒
2004
🢒
TrailBlazer - 4WD
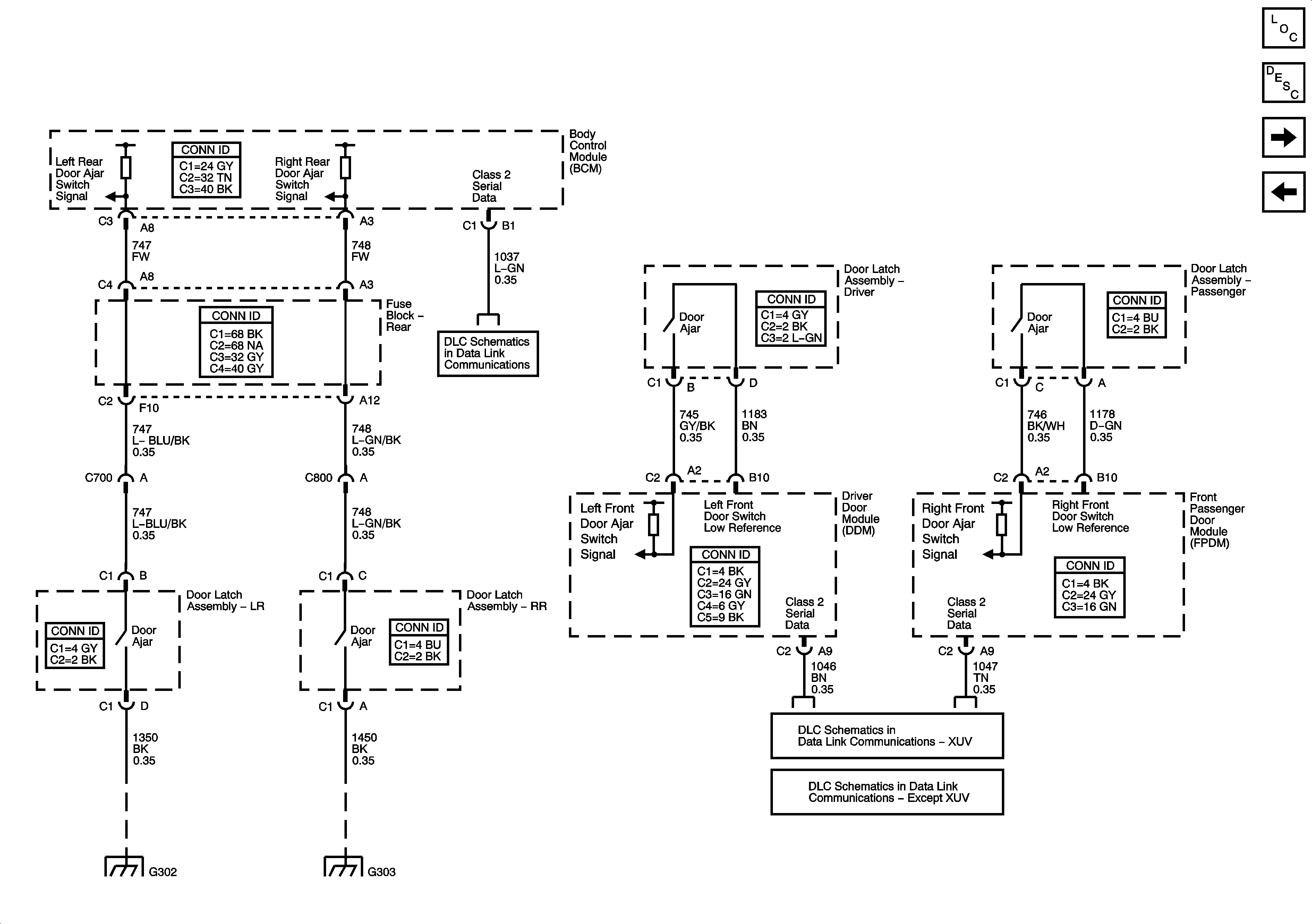
🢒 Door Switch Inputs
Door Switch Inputs
Door Switch Inputs
Master Electrical Component List
Interior Lighting Systems Description and Operation
Liftgate Module (Except XUV) and Endgate Module (XUV) Switch Inputs
Interior Lamps - Long Wheelbase (LWB) Except XUV
Power, Ground, Data Link Connector, and SP205
Power, Ground, Data Link Connector, and SP205
SP306 - Except XUV
G302 - 1 of 2, G303, and G304
G302 - 1 of 2, G303, and G304