GM Service Manual Online
For 1990-2009 cars only
Makes
🢒
Chevrolet
🢒
2005
🢒
Uplander Ext.
🢒
Body
🢒
Wiring Systems
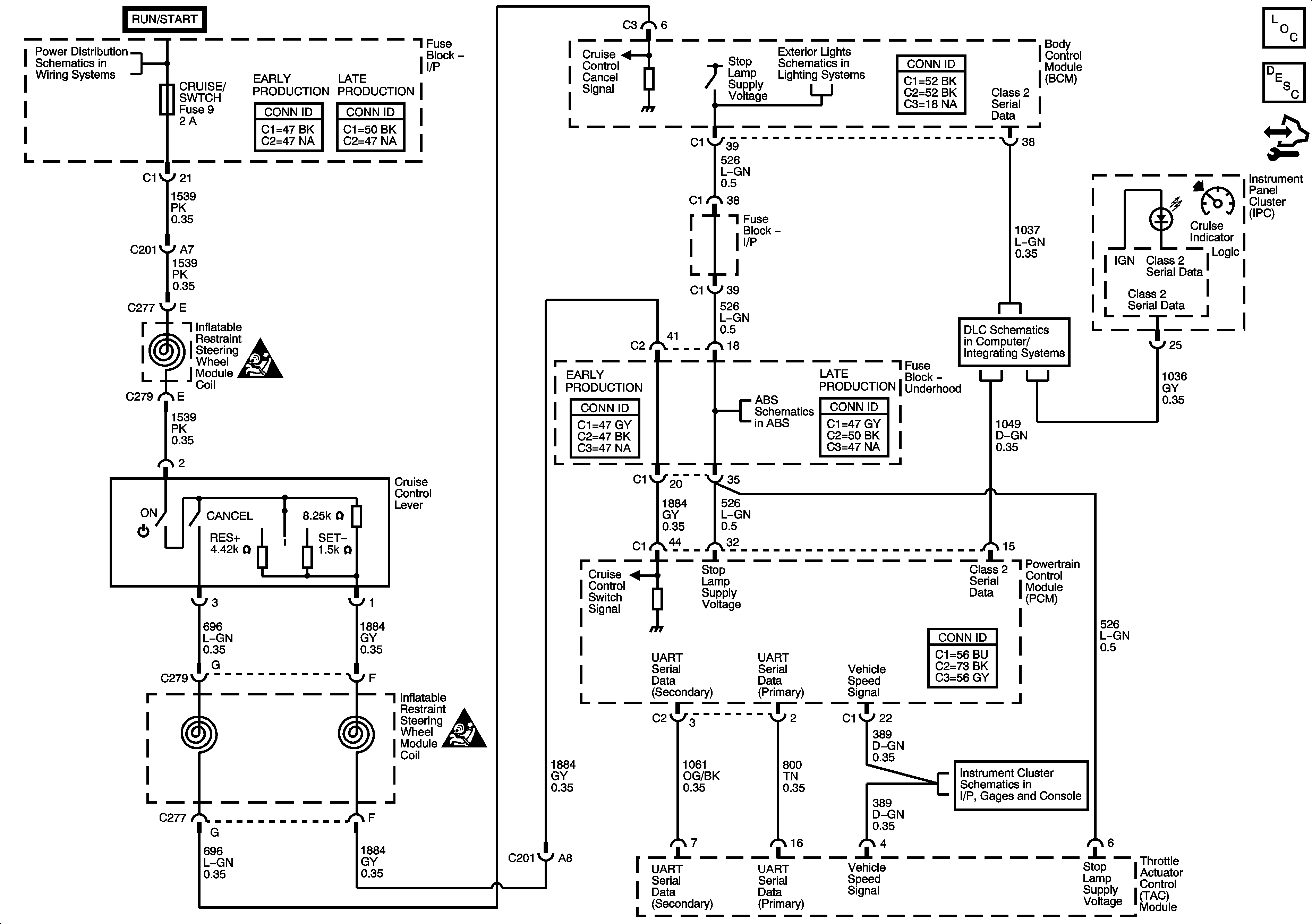
🢒 Cruise Control Schematics
Master Electrical Component List
Cruise Control Description and Operation 3.5L
Control Module References
ABS, AIRBAG, CRUISE/SWTCH, HVAC/RPA/CRUISE, PCM IGN, and TRANS SOLS Fuses
Backup Lamps
Cruise Control Schematic Icons
Driver Inputs, Indicators
DLC Schematics
Cruise Control Schematic Icons
Gages, Ground, and Power