GM Service Manual Online
For 1990-2009 cars only
Makes
🢒
Chevrolet
🢒
2005
🢒
Uplander Ext.
🢒 Gages, Ground, and Power
Gages, Ground, and Power
Gages, Ground, and Power
Master Electrical Component List
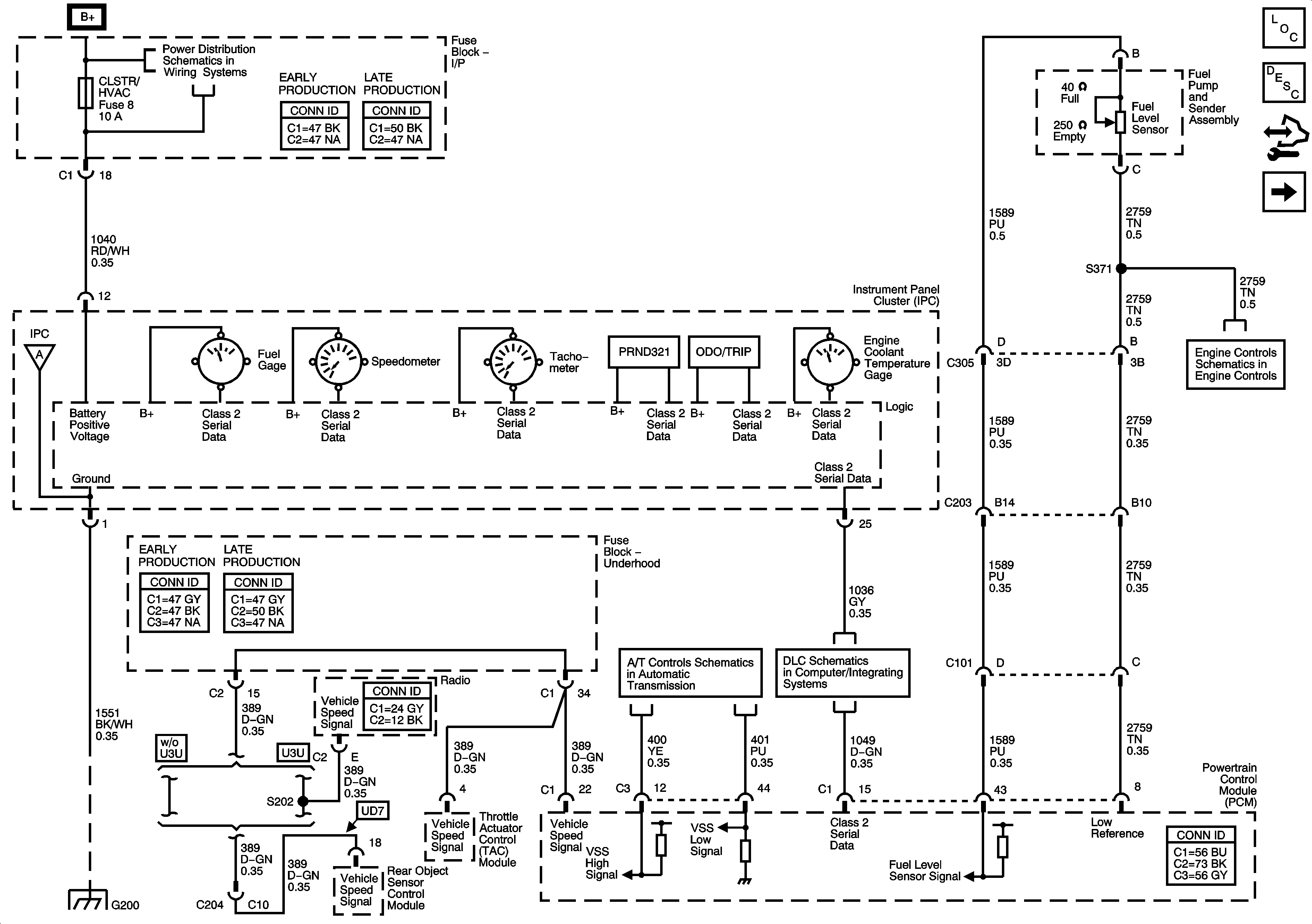
Instrument Cluster Description and Operation
Control Module References
Indicators and Lighting
CAN VENT, CLSTR/HVAC, INT/LAMP, ONSTAR, and RADIO AMP Fuses
Indicators and Lighting
Fuel Controls - EVAP Controls
G200 2 of 2