GM Service Manual Online
For 1990-2009 cars only
Makes
🢒
Chevrolet
🢒
2005
🢒
Uplander Ext.
🢒
Accessories
🢒
Entertainment
🢒 Video System Schematics
Video System Schematics w/o UMS
Master Electrical Component List
Video Entertainment System Description and Operation
Control Module References
CAN VENT, CLSTR/HVAC, INT/LAMP, ONSTAR, and RADIO AMP Fuses
DLC Schematics
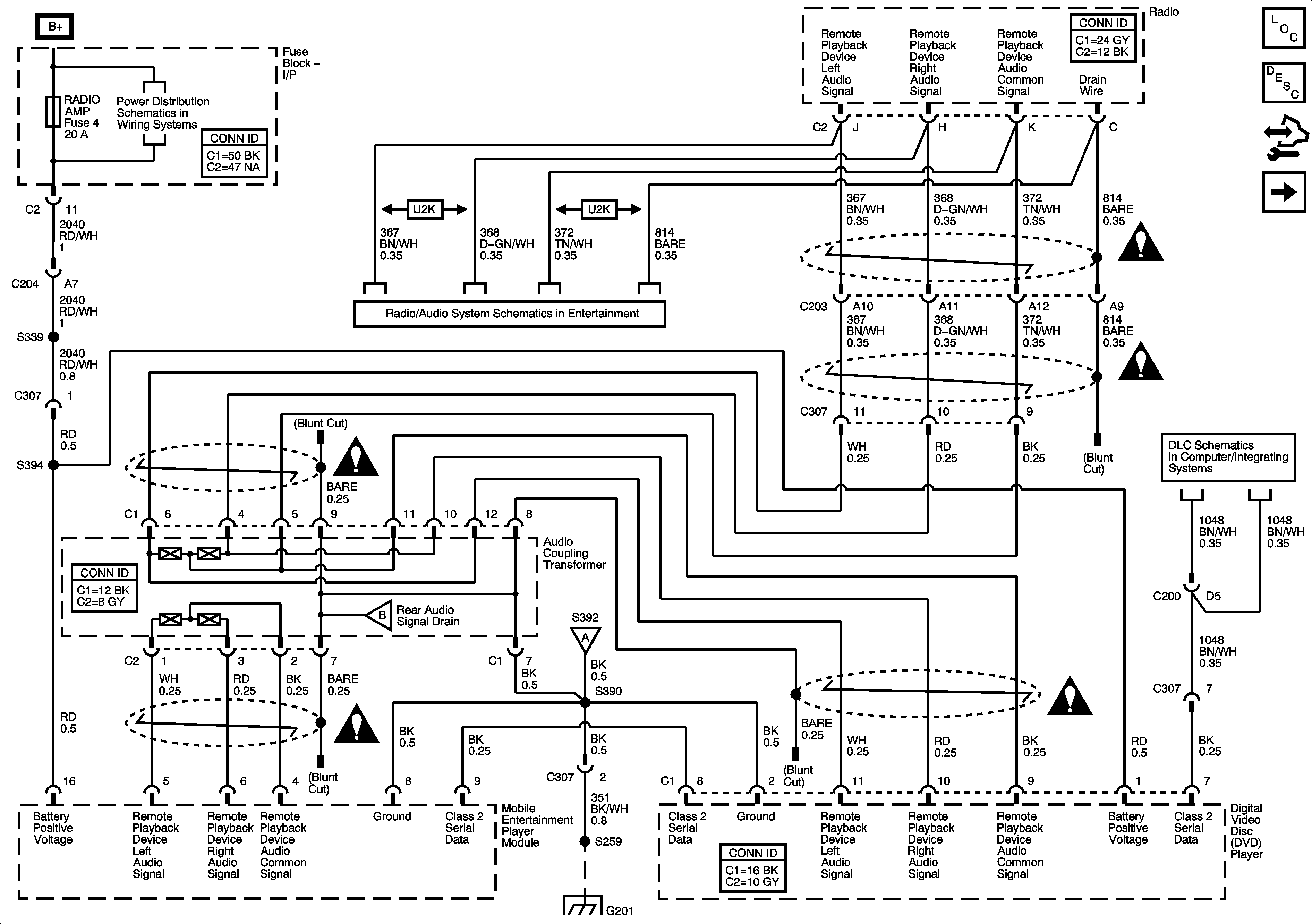
DVD and Satellite Audio Sources
Rear Speakers
G201
Video System Schematics UMS
Figure
1:
Ground, Power, Serial Data, and Front Audio Signals
Master Electrical Component List
Video Entertainment System Description and Operation
Control Module References
Rear Audio Output
CAN VENT, CLSTR/HVAC, INT/LAMP, ONSTAR, and RADIO AMP Fuses
DVD and Satellite Audio Sources
Entertainment Schematic Icons
Entertainment Schematic Icons
Entertainment Schematic Icons
Entertainment Schematic Icons
Entertainment Schematic Icons
DLC Schematics
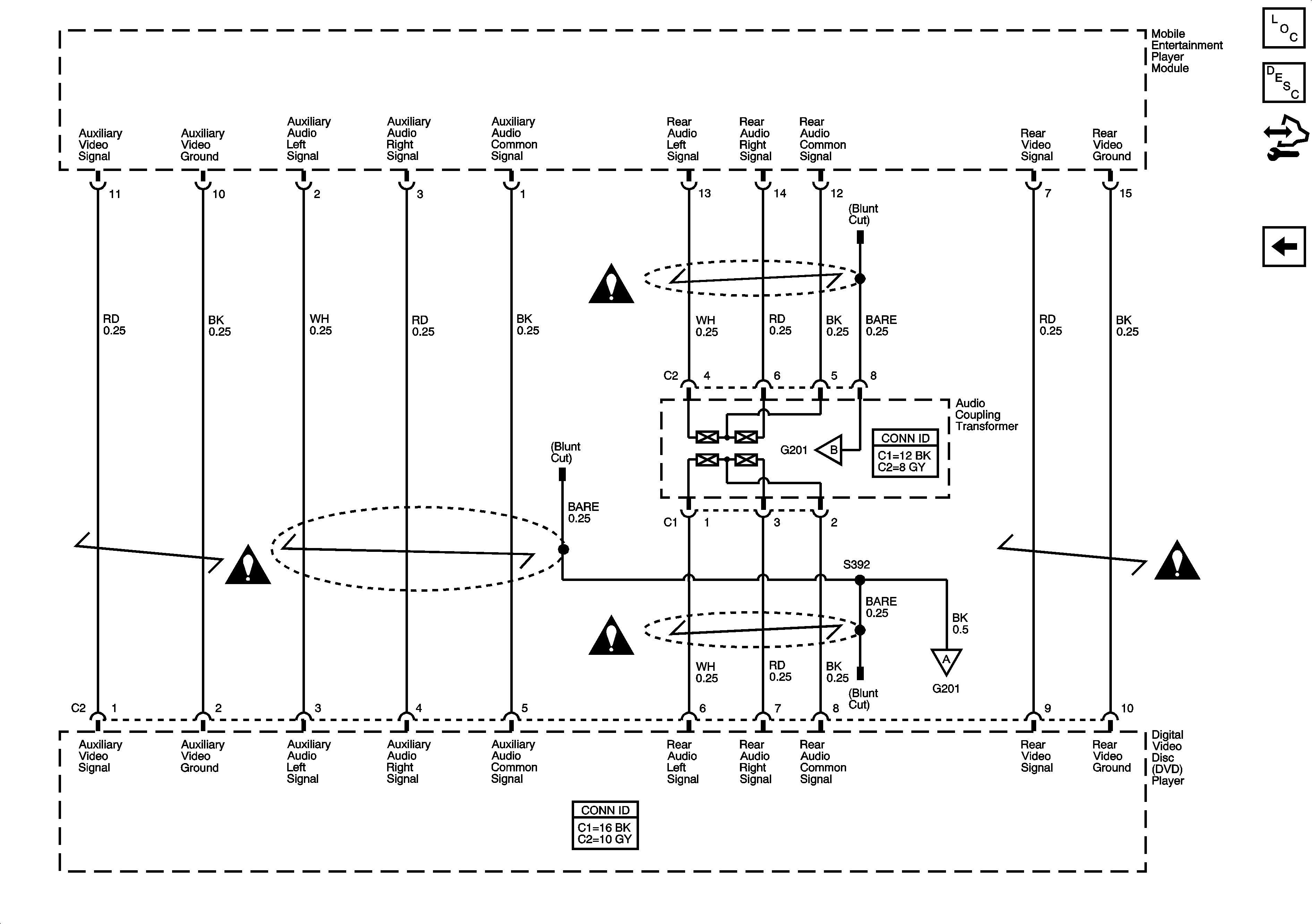
Auxiliary and Rear Audio and Video Signals
Auxiliary and Rear Audio and Video Signals
G201
Figure
2:
Rear Audio Output
Master Electrical Component List
Video Entertainment System Description and Operation
Control Module References
Auxiliary and Rear Audio and Video Signals
Ground, Power, Serial Data and Front Audio Signals
Entertainment Schematic Icons
Entertainment Schematic Icons
Entertainment Schematic Icons
Entertainment Schematic Icons
Entertainment Schematic Icons
Figure
3:
Auxiliary and Rear Audio and Video Signals
Master Electrical Component List
Video Entertainment System Description and Operation
Control Module References
Rear Audio Output
Ground, Power, Serial Data and Front Audio Signals
Ground, Power, Serial Data and Front Audio Signals
Entertainment Schematic Icons
Entertainment Schematic Icons
Entertainment Schematic Icons
Entertainment Schematic Icons