GM Service Manual Online
For 1990-2009 cars only
Makes
🢒
Chevrolet
🢒
2005
🢒
Uplander Ext.
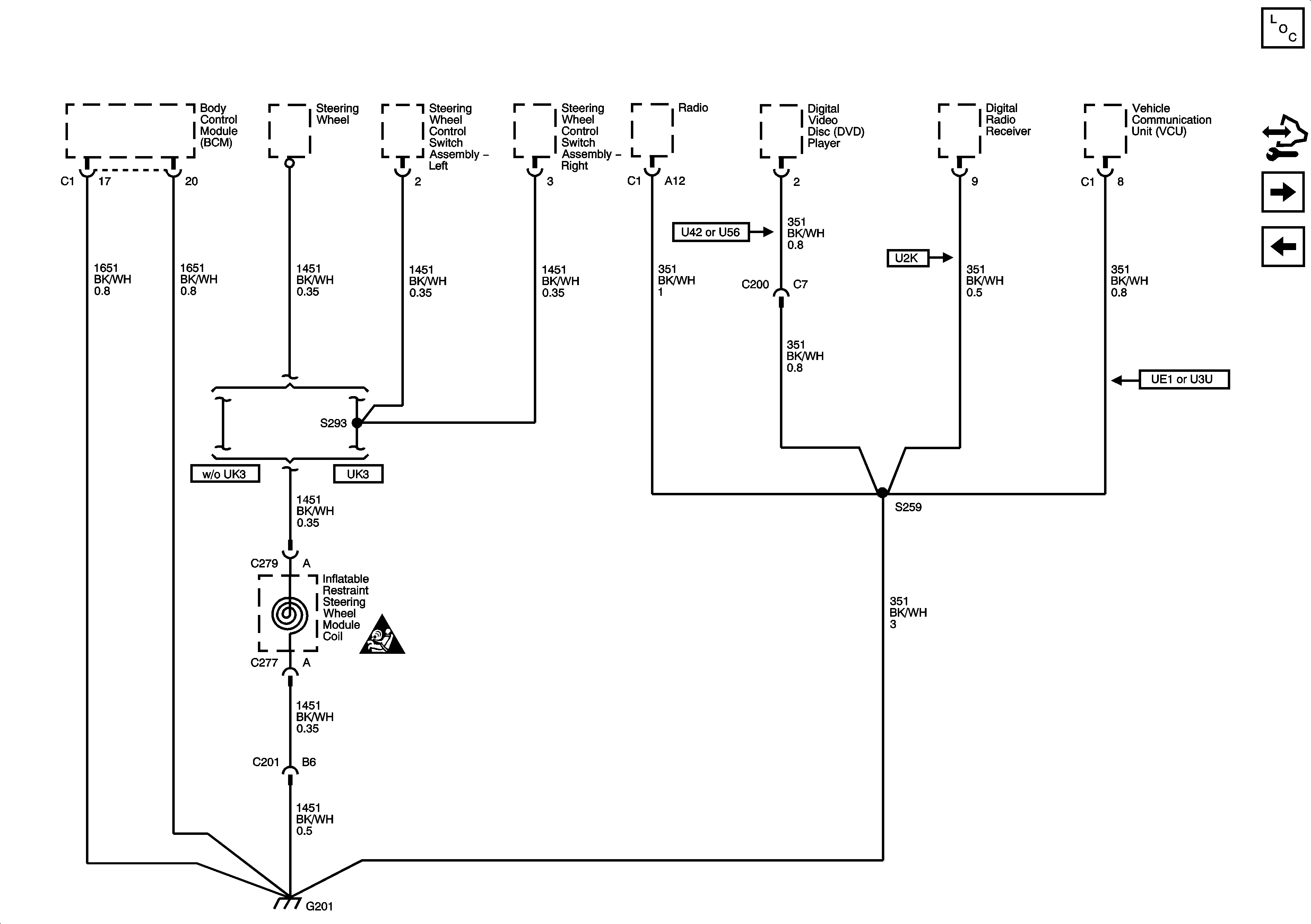
🢒 G201
G201
G201
Master Electrical Component List
Control Module References
G301
G200 2 of 2
Power and Grounding Schematic Icons