GM Service Manual Online
For 1990-2009 cars only
Makes
🢒
Chevrolet
🢒
2005
🢒
Uplander Ext.
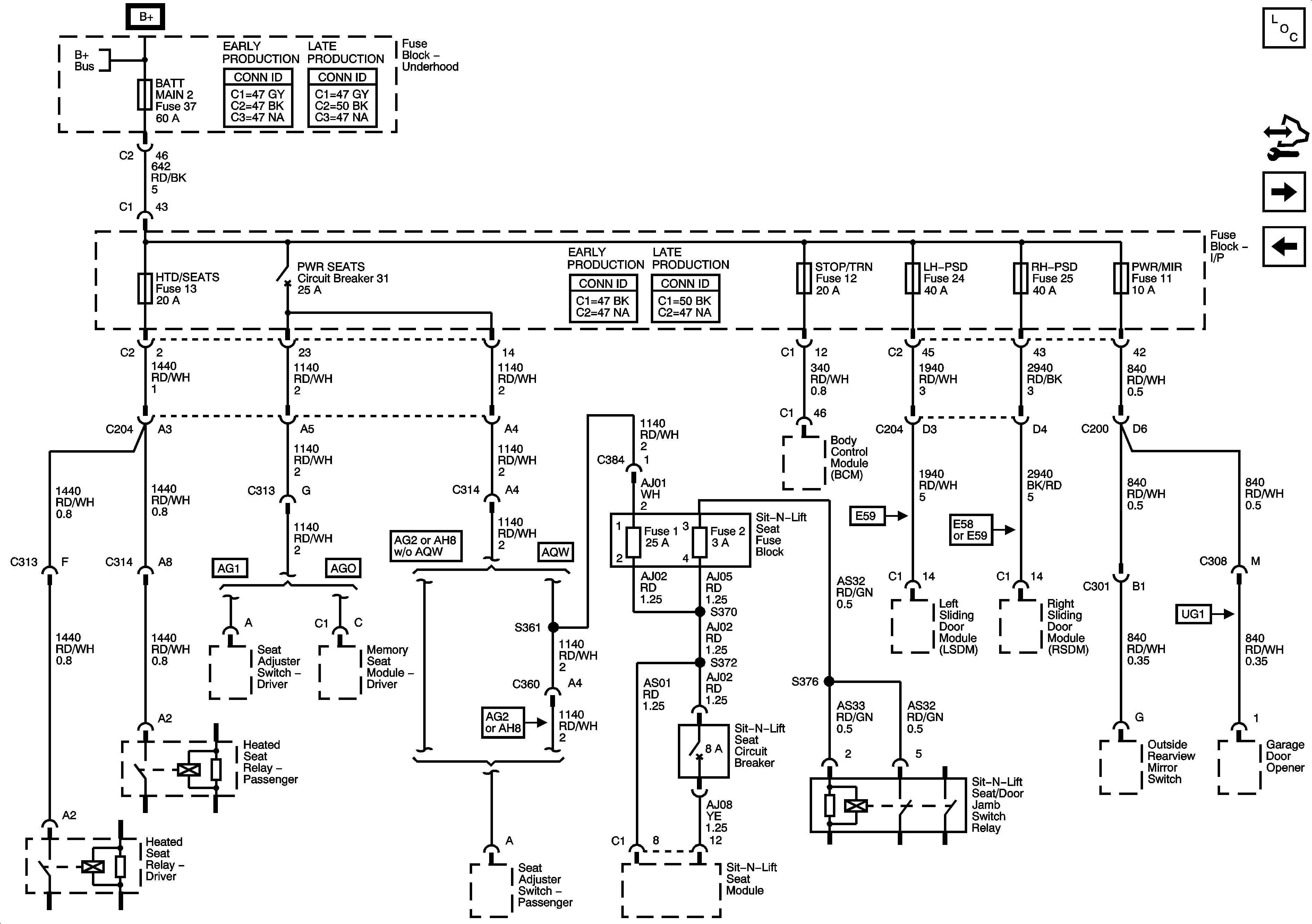
🢒 BATT MAIN 2, HTD/SEATS, LH-PSD, PWR MIR, RH-PSD, and STOP/TRN Fuses, PWR SEATS Circuit Breaker
BATT MAIN 2, HTD/SEATS, LH-PSD, PWR MIR, RH-PSD, and STOP/TRN Fuses, PWR SEATS Circuit Breaker
BATT MAIN 2, HTD/SEATS, LH-PSD, PWR/MIR, RH-PSD, Sit-N-Lift Seat and STOP/TRN Fuses, PWR SEATS and Sit-N-Lift Seat Circuit Breakers
Master Electrical Component List
Control Module References
BATT MAIN 3, ELC, and TRUNK/LKS Fuses
CAN VENT, CLSTR/HVAC, INT/LAMP, ONSTAR, and RADIO AMP Fuses
B+ Bus