GM Service Manual Online
For 1990-2009 cars only
Makes
🢒
Chevrolet
🢒
2005
🢒
Uplander Ext.
🢒 G2002 of 2
G2002 of 2
G200 2 of 2
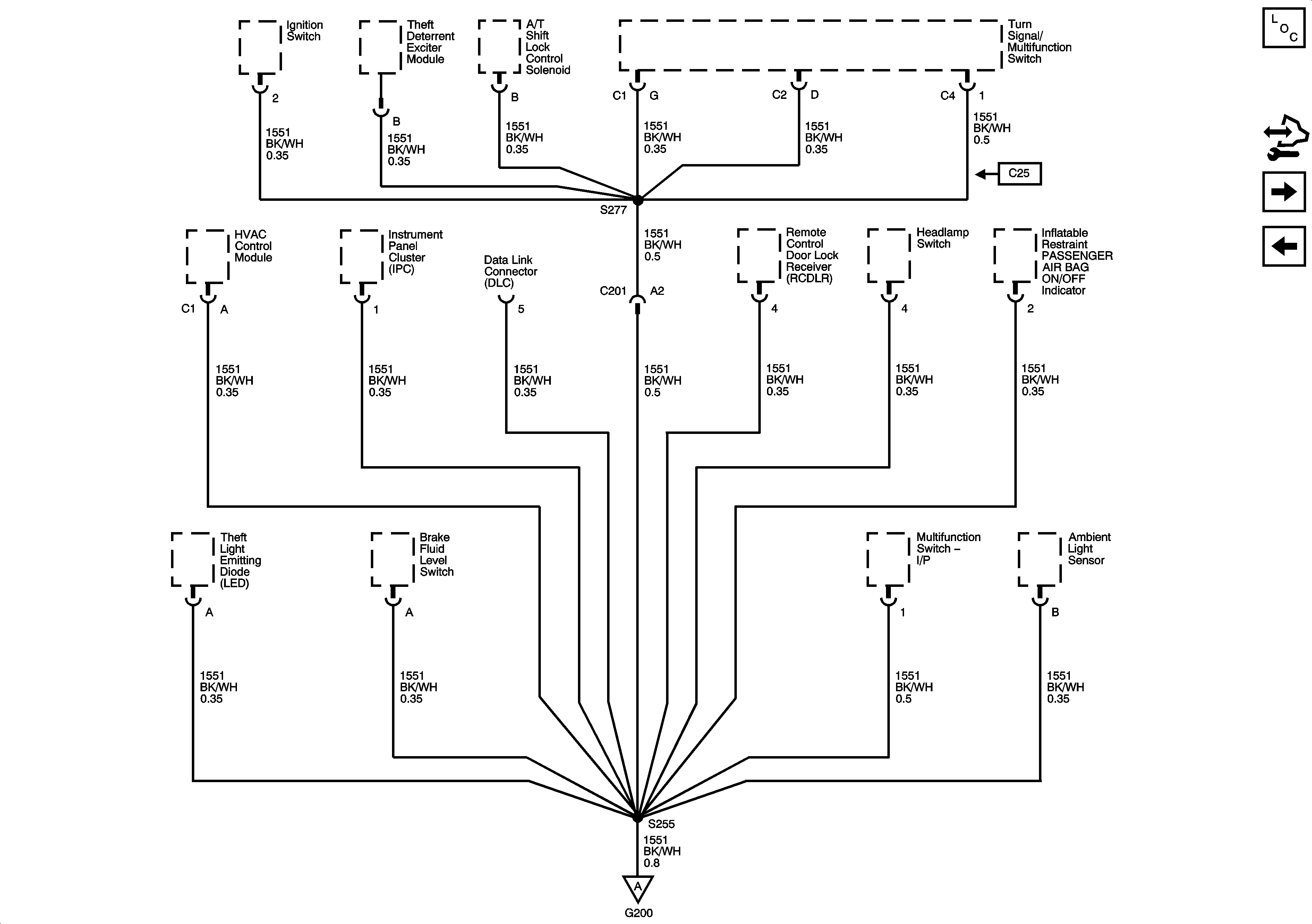
Master Electrical Component List
Control Module References
G201
G200 1 of 2
G200 1 of 2