GM Service Manual Online
For 1990-2009 cars only
Makes
🢒
Chevrolet
🢒
2005
🢒
Uplander Ext.
🢒 Fuel Controls - Fuel Pump Controls
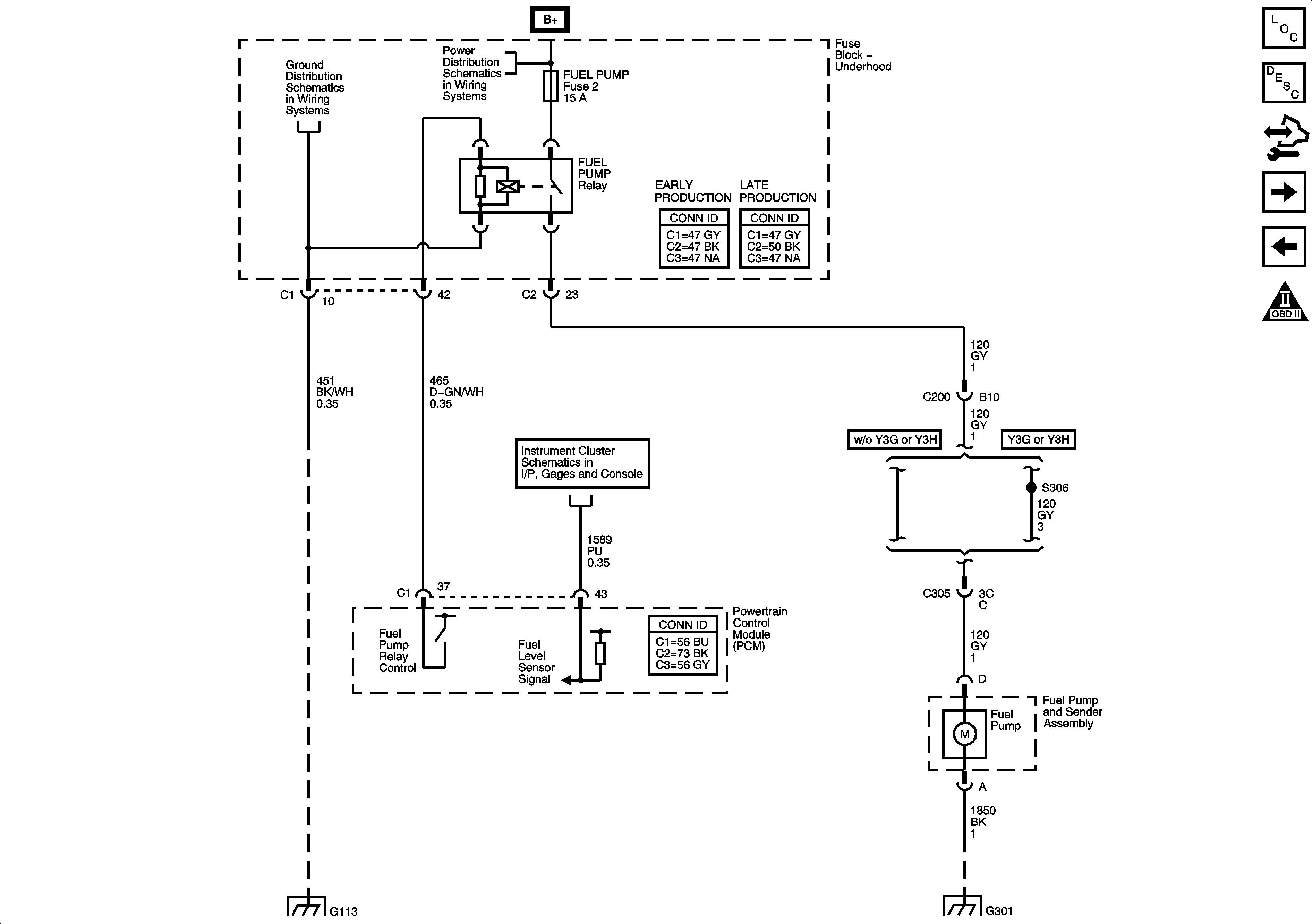
Fuel Controls - Fuel Pump Controls
Fuel Controls - Fuel Pump Controls
Master Electrical Component List
Fuel System Description
Control Module References
Fuel Controls - Fuel Injectors
Ignition Controls - Ignition System
Engine Controls Schematic Icons
G102, G113 and G115
ABS MOTOR, AC/DC INVRTR, AUX/PWR 12VDC, FRT WSW, and PCM ETC Fuses
Gages, Ground, and Power
G102, G113 and G115
G301