GM Service Manual Online
For 1990-2009 cars only
Makes
🢒
Chevrolet
🢒
2005
🢒
Uplander Ext.
🢒 Charging
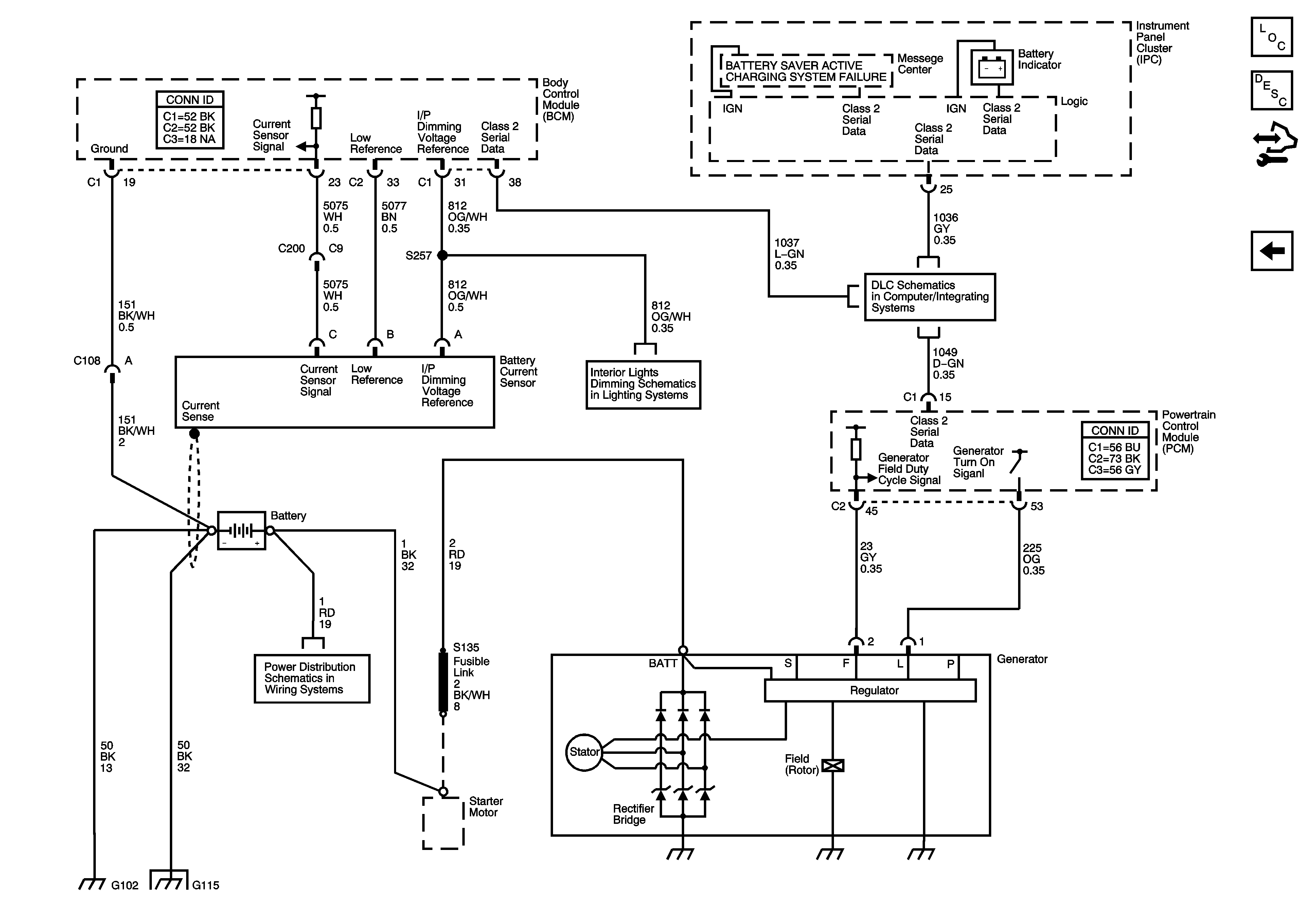
Charging
Charging
Master Electrical Component List
Charging System Description and Operation
Control Module References
Starting
DLC Schematics
Control, I/P and Passenger Door Lamps
B+ Bus
G102, G113 and G115