GM Service Manual Online
For 1990-2009 cars only
Makes
🢒
Chevrolet
🢒
2005
🢒
Uplander Ext.
🢒 Occupant Sensing
Occupant Sensing
Occupant Sensing
Master Electrical Component List
SIR System Description and Operation
Control Module References
Impact Modules and Pretensioners
SIR Schematic Icons
Ground, Impact Sensors, Indicator, and Power
Ground, Impact Sensors, Indicator, and Power
G200 2 of 2
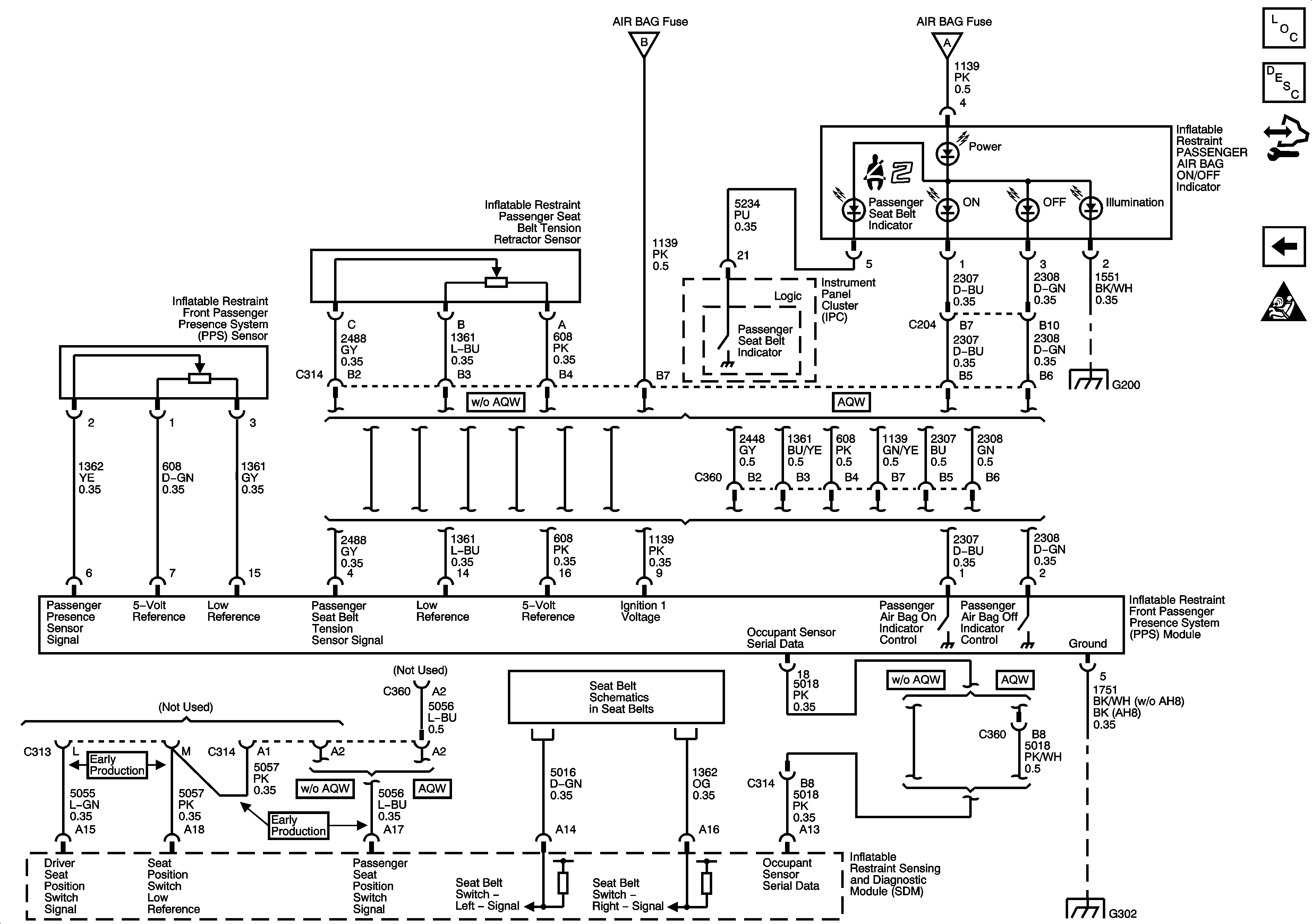
Seat Belts Schematics
G302 - 1 of 2